Курсовая работа (т): Архитектурный проект трёхэтажного жилого здания

Внимание! Если размещение файла нарушает Ваши авторские права, то обязательно сообщите нам

Архитектурный проект трёхэтажного жилого здания















Курсовая работа

Архитектурный проект трёхэтажного жилого здания

Содержание

Введение

. Генплан

. Обьёмно-планировочные решения здания

. Конструктивные схемы здания

. Описание конструктивных элементов здания

.1 Фундаменты

.1.1 Расчёт привязки подошвы фундаментов

.2 Стены

.3 Перекрытия

.4 Перегородки

.5 Полы

.6 Окна

.6.1 Расчёт перемычек

.7 Двери

.8 Крыша и кровля

4.9 Лестницы

4.9.1 Расчёт лестничной клетки

. Отделка

.1 Отделка наружная

.2 Отделка внутренняя

. Инженерно-техническое оборудование здания

Список используемых источников

фундамент стены перекрытия генплан здание

Введение

Целью курсового проекта является архитектурно-строительное проектирование трёхэтажного жилого здания. Проектирование зданий и сооружения - это создание проектно-технической документации для строительства. Документация состоит из комплекта чертежей и пояснительной записки. Проектирование здания и сооружений ведётся на основе единой системы модульной координации размеров (ЕСМКР), которая является базовой унификацией обьёмно-планировочных и конструктивных решений.

ЕСМКР представляет совокупность сочетаний размеров здания, его элементов и строительных конструкций благодаря кратности этих размеров основному модулю М=100 мм. Цель применения ЕСМКР в проектировании - это не только обеспечение кратности размеров деталей основному модулю, но и строгое ограничение числа типоразмеров индустриальных конструкций и деталей. При проектировании используют укрупненные модули, кратные основному (3М, 6М …60М) и дробные (1/2M, 1/5M …1/100M).

В процессе работы рассмотрен генеральный план участка местности, на котором расположено данное здание. Рассмотрена объёмно-планировачная структура и конструктивное решение дома. Выполнены чертежи: фасада, типового этажа, генеральный план, разрез, план фундамента, план перекрытий, план кровли, план покрытий и архитектурные узлы. Также в данной работе решены вопросы отделки здания и инженерного оборудования. При выполнении работы применялись такие архитектурные, планировочные и конструктивные решения, которые наиболее полно удовлетворяют назначению здания, долговечности, архитектурной выразительности.

Проектируемое здание: трёхэтажный девяти квартирный жилой дом.

Район строительства город Йошкар-Ола.

Температура холодной пятидневки- -35°С.

Класс здания - II.

Степень долговечности - II.

Степень огнестойкости - II.

Целью курсового проекта является:

1.Закрепление и расширение знаний, полученных при изучении теоретического материала.

.Овладение методами оценки объёмно-планировочных и конструктивных решений здания.

.Приобретение навыков в области проектирования зданий.

.Овладение методами пользования технологической литературой и действующим в строительстве нормативными документами.

1. Генплан

3-х этажная шилая блок секция на 9 квартир рядовая строится в городе Йошкар Ола. Кроме проектируемого здания на участке имеются детская площадка, одно существующее здание, площадка для выбивки ковров, площадка для сушки белья, также площадка для взрослых. Участок принят размером 38×30м, планировочный вариант здания с ограниченной ориентацией. Продольные оси здания направлены на юго-восток, ветры дуют в угол здания с северо-запада. Отметка спланированной поверхности земли 70,58 отметка уровня пола первого этажа 71,78. Озеленение осуществляется кустарным способом рядовой посадки. Водоотвод естественный в канализационную сеть. Рельеф местности спокойный.

Табл.1Повторяемость направлений ветра(%)

С

СВ

В

ЮВ

Ю

ЮЗ

З

СЗ

Январь

7

10

2

15

28

19

10

9

Июль

15

16

7

8

9

11

1

19


Здание в плане имеет прямоугольную форму, имеет три этажа, высота этажа 3000мм.

В здании имеется чердак, подвал, отметка пола подвала - 2400мм. На каждом этаже размещены по три квартиры: 2-однокомнатные, 1-двухкомнатная. Планировочная схема здания обычная.

3. Конструктивная схема здания

Конструктивная схема проектируемого здания - это бескаркасная с продольными несущими стенами. Пространственная жёсткость здания обеспечивается за счёт укладки плит перекрытия на ЦПР, а также за счёт анкеровки плит перекрытия между собой и стенами.

4. Описание конструктивных элементов здания

4.1 Фундаменты

Фундамент здания принят ленточный сборный, состоящий из фундаментных подушек и фундаментных блоков.

Рис.1 Фундаментная подушка

Рис.2 Фундаментный блок

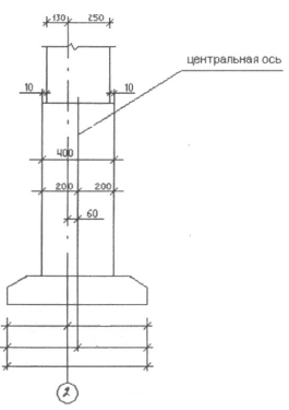
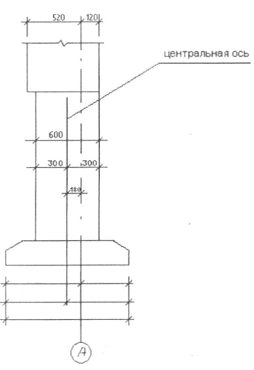
4.1.1 Расчёт привязки подошвы фундамента

Конструктивно принимаем ширину подошвы фундамента для продольных стен - 1400мм, для поперечных стен - 1200мм.

Рис.3 Привязка подошвы фундамента

4.2 Стены

Наружные стены приняты в виде слоистой кладки. Она состоит из трёх слоёв: внутреннего - толщиной 380мм, теплоизоляционного слоя - толщиной 130мм из пенополистирола, и наружного лицевого слоя из кирпичной кладки- толщиной 120мм. Наружный лицевой слой кладки поэтажно опирается на керамзитобетонные рамки, которые укладываются в уровне перекрытий этажа. Для предотвращения распространения огня по слою теплоизоляции в отверстия керамзитобетонных рамок укладывается минеральная вата. Толщина наружной стены принята 640мм по теплотехническому расчёту.

Рис.4 Теплотехнический расчёт

4.3 Перекрытия

Перекрытия в здании выполнены из сборных железобетонных многопустотных плит по ГОСТу 9561-91 шириной 3000, 1800 и 1500мм. Плиты укладываются на стены на предварительно подготовленную цементно-песчаную постель. Для обеспечения пространственной жёсткости плиты анкеруются со стенами и между собой. Швы заделываются цементно-песчаным раствором М-100

Рис.5 Плита перекрытия

4.4 Перегородки

Межквартирные перекрытия в здании - несущие стены выполнены из силикатного кирпича толщиной 640мм, межкомнатные - из силикатного кирпича толщиной 250мм, перегородки выполнены из силикатного кирпича толщиной 90мм, перегородки в санузлах выполнены из керамического кирпича толщиной 65мм.

В местах примыкания перегородок к потолку и стенам оставляются зазоры, которые заполняются цементно-песчаным раствором М-100.

Перегородки устанавливаются на плиты перекрытия на заранее подготовленную постель. В местах примыкания пола к перегородкам устанавливаются плинтуса для увеличения устойчивости перегородки.

4.5 Полы

В жилых комнатах, коридоре на кухне на пол уложен линолеум. Пол в санузлах устраивают из керамической плитки. Полы первого этажа утепляются.

Табл.2 Экспликация полов

Номер помещения или наименование

Тип пола

Схема пола тип по серии

Данные элементов пола (наименование, толщина и др.)

Площадьм2

Зало спальни кухни коридоры

I

1.Линолеум ГОСТ 7251-77 - 5 мм 2.Стяжка из цементно-песчаного раствора М150-20 мм 3.Керамзитобетон γ=1100 кг/м, М75-50мм 4.2 слоя полиэтиленовой плёнки 5.Пенополистирол ПСБ-С35 Ф ГОСТ 15588-80 мм 6.Железобетонные перекрытие-220мм

158

Санузлы

II

1.Керамическая плитка на цементно-песчаном растворе М150-20 мм 2.Стяжка цементно-песчаная М150-20 мм 3. Керамзитобетон γ=1100 кг/м, М75-50 мм 4. 2 слоя полиэтиленовой плёнки 5. Пенополистирол ПСБ-С35 Ф ГОСТ 15588-80 мм 6.Железобетонные перекрытие-220мм

14

Зало спальни кухни коридоры

III

1.Линолеум ГОСТ 7251-77 - 5 мм. 2.Стяжка из цементно-песчаного раствора М150-20 мм 3. Керамзитобетон γ=1100 кг/м М75-50мм 4. Железобетонные перекрытие-220мм

316

Санузлы

IV

1.Керамическая плитка на цементно-песчаном растворе М150-20 мм 2.Стяжка цементно-песчаная М150-20 мм 3. 2 слоя полиэтиленовой плёнки 4. Керамзитобетон γ=1100 кг/м М75-50мм 5. Железобетонные перекрытие-220мм

28

4.6 Окна

Окна принимаем с тройным остеклением ГОСТ 1124-86

Рис.6 ОРС 12-12 О-1

4.6.1 Расчёт перемычек

ПР-1 Lнес.=1200+2×170=1540мм, исходя из расчётов принимаем перемычку марки 3ПБ 18-8

L=1810, М=119, v=0,048

Lненес.=1210+2×100=1410мм, принимаем перемычку марки 2ПБ 16-2,

L=1550, m=65кг, v=0,026

ПР-2 Lнес=1210+900+2×170=2450мм, принимаем перемычку марки 3 ПБ 25-8, L=2460, m=162, v=0,06

ПР-3 Lнес=1010+2×170=1350мм, принимаем перемычку марки 3 ПБ 18-8 L=1810, m=119, v=0,048.

ПР-4 Lненес=710+2×100=910, принимаем перемычку марки 1ПБ 10-1 L=1030,

M=20кг, v=0,005.

Внутренние двери в квартиры, в санузлы, в зал, на кухни, наружные двери глухие принимаем по ГОСТ 6629-88: ДГ 21-10- в квартиру, ДГ 21-7-в санузлы, ДГ 21-9-в спальни, ДО 21-8-на кухню, ДО 21-13-в зал, ДН 21-15-входная дверь.

Рис.8 ДО 21-13 Д-5

Рис.9 ДН 21-13 Д-5

Рис.10 ДГ 21-9 Д-4

Рис.11ДГ 21-7 Д-3

Рис.12 ДГ 21-10 Д-1

Рис.13 ДО 21-8 Д-3

Таблица 3- Количество и марка дверей

Поз

Обозначение

Наименование

Количество

1

ГОСТ 24698-81

ДГ 21-10

9

2

ГОСТ 24698-81

ДГ 21-9

15

3

ГОСТ 24698-81

ДГ 21-7

15

4

ГОСТ 24698-81

ДО 21-8

9

5

ГОСТ 6629-88

ДО 21-13

15

4.8 Крыша и кровля

Крыша четырёхскатная из деревянных стропил. Крыша состоит из: мауэрлата 200×200мм, стропильных ног 150×100мм, шаг 800мм, конькового прогона сечением 200×150мм, кобылки 100×50, стоек установленных на лежень сечением 150×50мм.

Кровля выполнена из металочерепицы. Металочерепицу крепим на саморезы L=120мм. Кровля оснащена водостоками в водоприёмную воронку. Уклон крыши 1:3.

4.9 Лестницы

Лестницы приняты сборные железобетонные, состоят из лестничных маршей и площадок.

4.9.1 Расчёт лестничной клетки

L=6000мм

Hэт=3000мм

A=3000мм

a=300мм

b=150мм

Рис.14 Лестничный марш и площадка

1. Определяем высоту одного марша

Hм=Hэт/2=3000/2=1500мм

. Определяем количество подступёнок в марше

n=hм/b=1500/150=10

. Определяем количество проступней в марше

n-1=10-1=9

. Определяем длину горизонтальной проекции марша

d=a×(n-1)=300×9=2700мм

. Определяем ширину лестничной клетки в «чистоте» и подбираем ширину марша ам

A'=A-(α+α)=3000-250-250=2500мм

A'=ам+1, принимаем ам=1200

A'=1200×2+100=2500мм

. Определяем длину лестничной клетки в «чистоте» и ширину площадки

L'=L-(a+δ)=7300-(120+190)=6990мм'=2c+d=(6990-2700)/2=2145мм

5. Отделка

5.1 Отделка наружная

Наружный слой кладки выполняется из керамического кирпича, швы расшиваются.

5.2 Отделка внутренняя

 Потолки всех комнат белятся, стены в жилых комнатах оклеиваются обоями, стены санузлов выполняются из керамической плитки, стены кухонь выполняются из керамической плитки на высоту 1.5 м.

Наименование помещения

Ведомость отделки элементов интерьера

Примечание


Потолок

Площадь м2

Стены или перегородки

Площадь м2


Зало

Побелка

58,05

Оклейка обоями

146,04


Спальни

Побелка

207

Оклейка обоями

484,34


Кухни

Побелка

79,38

Керамическая плитка Побелка

85,7

h=0,5 м





171,5


Санузлы

Побелка

41,94

Керамическая плитка

80,3


Прихожие и коридоры

Побелка

32,44

Оклейка обоями

65,9


6. Инженерно-техническое оборудование здания

Отопление в здании предусмотрено водяное центральное, канализация хозяйственно-бытовая, в городскую канализационную сеть. Вентиляция из всех помещений естественная через форточки в оконных блоках, в кухнях и санузлах дополнительное, через венканалы, устраиваемые во внутренних стенах.

Список используемых источников

1. СНиП 21.01.97 Пожарная безопасность зданий и сооружений

. СНиП 23.01.99 Строительная климатология

. СНиП II -3-79* Строительная теплотехника

. СНиП II-13.8-71 Полы. Нормы проектирования

. СНиП 2.07.01-89* Градостроительство, планировка и застройка городских и сельских поселений

. СНиП 31.01.2003 Здания жилые многоквартирные

. Буга. П.Г. Гражданские промышленные и сельскохозяйственные здания: учебник. - М.:Стройиздат, 2010.- 222 с


Не нашли материал для своей работы?
Поможем написать уникальную работу Без плагиата!