Материал: 1.6-к Функціональні пристрої_Комбінаційні пристрої

Внимание! Если размещение файла нарушает Ваши авторские права, то обязательно сообщите нам

Тема 1.6 Функціональні пристрої. Комбінаційні пристрої.

Мета: розглянути призначення функціональних пристроїв комп’ютерної техніки та принципи роботи комбінаційних пристроїв.

Перелік питань для вивчення.

1.Призначення функціональних пристроїв комп’ютерної техніки.

2.Класифікація цифрових пристроїв.

3.Шифратор.

4.Дешифратор.

5.Демультиплексор.

6.Мультиплексор.

1.Призначення функціональних пристроїв комп’ютерної техніки.

Комп'ютер складається з трьох основних функціональних пристроїв:

1)процесор;

2)пам’ять;

3)пристрої введення - виведення інформації.

Ці пристрої взаємодіють та обмінюються між собою інформацією.

Кожен з основнихфункціональнихпристроївскладаєтьсяз простіших функціональних вузлів. Функціональні вузли складаються з окремих елементів.

Елементи обчислювальної техніки виконують логічні та арифметичні операції. Крім того, вони реалізують запам'ятовування та зберігання нуля або одиниці.

Декілька логічних елементів здатні вже обробляти всю двійкову комбінацію (слово або число). Такі логічні схеми є простими функціональними вузлами.

Таким чином, комп'ютер є системою, що складається з основних функціональних пристроїв. Процесор виконує арифметичні та логічні операції. Він складається з логічних елементів та перетворювачів двійкової інформації. Такі перетворювачі називаються шифраторами та де-

шифраторами.

Для перетворення двійкових комбінацій в аналоговий (безперервний) сигнал служать цифроаналогові перетворювачі, для зворотнього перетворення - аналого-цифрові. Зазвичай такі перетворювачі використовують в комп'ютері в складі пристроїв введення та виведення інформації.

Вданий час АЦП та ЦАП найширше застосовують в цифровій телефонії. В другій половині XX століття завдяки досягненням обчислювальної техніки та цифрової телефонії була створена всесвітня комп'ютерна мережа Internet.

Для ущільнення каналів зв'язку служать мультиплексори. Вони об'єднують інформацію від

багатьох джерел для передачі по одній лінії.

Після проходження цієї інформації по загальному каналу зв'язку вона повинна бути розподілена по відповідних споживачах. Для цього застосовують демультиплексори.

Отримана в результаті обробки в процесорі нова інформація повинна бути збережена. Для зберігання 1 біта інформації служать тригери. Для зберігання декількох розрядів використовують

регістри, які складаються з декількох тригерів.

У регістрах може також виконуватися обробка двійкової інформації. Тому на базі регістрів

можуть бути побудовані лічильники, регістри зсуву, суматори.

Впроцесі обробки інформації часто виникає завдання порівняння різних сигналів за величиною. Для цього служать компаратори.

2. Класифікація цифрових пристроїв.

Всі цифрові пристрої можна віднести або до комбінаційних (без пам'яті), або до послідов-

них (з пам'яттю).

Комбінаційними називають пристрої, стан виходів яких у будь-який момент часу однозначно визначається значеннями вхідних змінних в той же момент часу. Це логічні елементи, шифратори та

дешифратори, мультиплексори та демультиплексори, суматори та компаратори, арифметико-логічні пристрої (АЛП), постійні запам'ятовуючі пристрої(ПЗП), програмовані логічні матриці (ПЛМ).

Вихідний стан послідовного цифрового пристрою (кінцевого автомата) в даний момент часу визначається не тільки логічними змінними на його входах, але й залежить також від послідовності їх надходження в попередні моменти часу. Іншими словами, кінцеві автомати повинні обов'язково містити елементи пам'яті, тоді як комбінаційні цифрові пристрої можуть бути цілком

побудовані тільки на логічних елементах. До цифрових пристроїв послідовного типу відносять

тригери, регістри, лічильники, оперативні запам'ятовуючі пристрої (ОЗП), мікропроцесори та мікроконтроллери.

3. Шифратор.

Шифратор (CD - CoDer - кодер) - це комбінаційний пристрій, який виконує перетворення десяткових чисел у двійковий код.

Шифратор має m входів, пронумерованих десятковими числами (0, 1, 2,..., m – 1) та n ви-

ходів, причому 2n m . Подача керуючого сигналу на один із входів приводить до появи на виході n-розрядного двійкового числа, яке відповідає номеру даного входу.

Шифратори широко застосовуються в пристроях автоматики, особливо в пристроях

введення - виведення інформації.

На клавіатурі комп’ютера розташовані алфавітно-цифрові клавіші. При натисненні на них

позиційний код перетворюється в двійковий.

Розглянемо варіант побудови шифратора для випадку, коли при натисненні клавіші виробляється сигнал з активним рівнем, який відповідає логічній одиниці. Маємо десятковий позиційний код x0, x1, ..., x9, який утворюється набором з 10 клавіш, пронумерованих 0 – 9. Необхідно отримати нормально зважений код 8-4-2-1 y8, y4, y2, y1, який відповідає номеру натиснутої клавіші.

Для того, щоб отримати логічні вирази для вихідних сигналів, скористаємося таблицею істинності (таблиця 1.6.1).

Таблиця 1.6.1 Таблиця істинності шифратора.

 

 

 

 

 

Вхідні сигнали

 

 

 

 

 

 

x0

x1

 

x2

 

x3

 

x4

 

x5

 

x6

 

x7

 

x8

 

x9

 

 

 

 

 

 

 

 

 

0

1

0

0

0

0

0

0

0

0

0

1

0

1

0

0

0

0

0

0

0

0

2

0

0

 

1

0

0

0

0

0

0

0

3

0

0

0

 

1

0

0

0

0

0

0

4

0

0

0

0

 

1

0

0

0

0

0

5

0

0

0

0

0

 

1

0

0

0

0

6

0

0

0

0

0

0

 

1

0

0

0

7

0

0

0

0

0

0

0

 

1

0

0

8

0

0

0

0

0

0

0

0

 

1

0

9

0

0

0

0

0

0

0

0

0

 

1

 

 

 

 

 

 

 

 

 

 

 

 

 

 

 

 

 

 

 

Вихідний код

y8

y4

y2

y1

0

0

0

0

0

0

0

1

0

0

1

0

0

0

1

1

0

1

0

0

0

1

0

1

0

1

1

0

0

1

1

1

1

0

0

0

1

0

0

1

 

 

 

 

Розв’язок задачі в загальному вигляді для десяти змінних виявляється доволі важким. Проте він спрощується, оскільки початкова функція приймає одиничне значення в кожному рядку всього лише один раз. Неважко помітити, що вихідні сигнали можна отримати як диз'юнкцію вхідних змінних:

y8 = x8+x9;

y4 = x4+x5+x6+x7; y2 = x2+x3+x6+x7;

y1 = x1+x3+x5+x7+x9.

Судячи з отриманих виразів, вхідний сигнал x0 не бере участь у формуванні вихідного коду. Відсутність сигналу на будь-якому з решти входів x1 – x9 вказує на те, що встановлений ну-

льовий набір.

Для реалізації даного шифратора необхідні чотири елементи АБО: один з п’ятьма входами,

два – з чотирма та один – з двома.

Логічна схема цього шифратора показана на рисунку 1.6.1.

Рис. 1.6.1 Логічна схема шифратора.

На рис. 1.6.2 зображено умовне графічне позначення даного шифратора, тут символ CD утворений з букв, які входять в англійське слово CODER. Вхідний сигнал x0 на умовному зображенні шифратора відсутній, тому що він не бере участі у формуванні сигналів на виході.

Рис. 1.6.2 Графічне позначення шифратора.

4. Дешифратор.

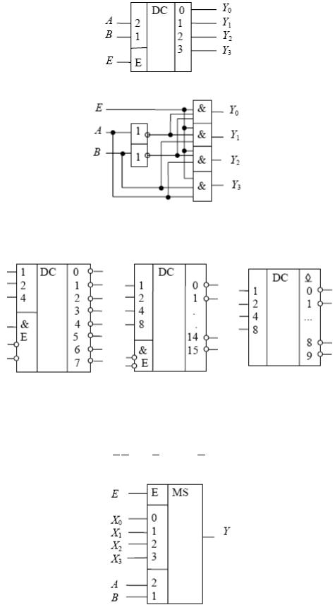
Дешифратор (DC - DeCoder - декодер) - це комбінаційний пристрій, що являє собою перетворювач n-розрядного двійкового коду в унітарний код «1 з .

Кожній кодовій комбінації на входах дешифратора відповідає активний рівень тільки на одному з виходів. Умовне графічне позначення і таблиця істинності повного дешифратора на два входи (n = 2) зображені на рисунку 1.6.3. Логічна одиниця формується на тому виході дешифратора, адреса якого відповідає набору двійкових сигналів на входах А та В.

Вихідний код носить назву «Один з чотирьох».

За допомогою таблиці істинності легко записати в ДДНФ логічні функції, які зв'язують сигнали на кожному виході дешифратора з його вхідними сигналами (вони показані на рисунку). Для реалізації дешифратора потрібні логічні елементи І та НЕ.

Рис. 1.6.3 Повний дешифратор на два входи.

5. Демультиплексор.

При наявності дозвільного входу Е (рис. 1.6.4) дешифратор можна використовувати як де-

мультиплексор - комутатор сигналу з одного входу на декілька виходів.

Сигнал, який подається на вхід Е, повторюється на тому виході Yi, адреса якого подана на входи А та В. При Е = 0 робота дешифратора заборонена (на всіх виходах пристрою логічний 0).

Реалізація демультиплексора на логічних елементах показана на рисунку 1.6.5.

Рис. 1.6.4 Демультиплексор.

Рис. 1.6.5 Логічна реалізація демультиплексора.

Інтегральні мікросхеми дешифраторів і демультиплексорів часто мають інверсні виходи, а

також групу дозвільних входів (прямих та інверсних), які об’єднані логікою І (рис. 1.6.6).

Рис. 1.6.6 Приклади мікросхем демультиплексорів і дешифраторів.

6. Мультиплексор.

Мультиплексором (від англ. multiplexer - багатократний) називають комутатор сигналів з

декількох входів на один вихід.

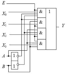
Для комутатора з чотирьох входів Хi на один вихід Y (рис. 1.6.7) вихідний сигнал пов'язаний з вхідними співвідношенням Y E( X 0 A B X1 AB X 2 AB X 3 AB) .

Рис. 1.6.7 Комутатор сигналів з чотирьох входів на один вихід.

Цей вираз показує шлях реалізації мультиплексора на логічних елементах (рис. 1.6.8).

Рис. 1.6.8 Логічна схема мультиплексора.

За наявності дозволу на вході Е (Е = 1) вихід повторює інформацію того входу, код якого поданий на адресні входи А та В. При Е = 0 комутатор закритий (Y = 0 незалежно від сигналів на входах Хi).

Контрольні запитання.

1.Назвіть три основні функціональні пристрої комп'ютера.

2.З чого складаються функціональні вузли комп'ютера?

3.Які функції виконують елементи обчислювальної техніки?

4.Які операції виконує процесор?

5.З яких елементів складається процесор?

6.Дайте поняття шифраторів і дешифраторів.

7.Дайте поняття та назвіть призначення АЦП та ЦАП.

8.Яке призначення мультиплексорів?

9.Яке призначення демультиплексорів?

10.Яке призначення тригерів?

11.Яке призначення регістрів?

12.З чого складаються регістри?

13.Яке призначення компараторів?

14.Які пристрої називають комбінаційними?

15.Наведіть приклади комбінаційних пристроїв.

16.Які пристрої називають послідовними?

17.Наведіть приклади послідовних пристроїв.

18.Яке призначення шифратора?

19.В яких пристроях використовують шифратори?

20.Поясніть принцип дії шифратора клавіатури.

21.Зобразіть умовне графічне позначення даного шифратора.

22.Яке призначення дешифратора?

23.Поясніть принцип дії дешифратора з двома входами.

24.Дайте означення демультиплексора.

25.Поясніть принцип дії демультиплексора.

26.Дайте означення мультиплексора.

27.Поясніть принцип дії мультиплексора.

Література.

1.Шарапов А.В. Микроэлектроника: Учебное пособие. Томск: Томский межвузовский центр дистанционного образования, 2007. — 158 с.

2.Келим Ю. М. Вычислительная техника: Учеб. пособие для студ. сред. проф. образования. - М.: Издательский центр «Академия», 2005. - 384 с.