СОДЕРЖАНИЕ
|
В Введение |
3 |
|
1 1 Общие сведения |
4 |
|
2 2 Сглаживающие фильтры |
9 |
|
3 3 Стабилизаторы напряжения |
11 |
|
4 Источник питания |
12 |
|
Заключение |
15 |
|
Библиографический список |
16 |
ВВЕДЕНИЕ
Источники питания с выходом на постоянном или переменном токе обеспечивают работу различной электрической и электронной аппаратуры. В настоящее время в большей части электронных устройств используется энергия источников постоянного тока. К ним относятся транзисторные цепи, интегральные схемы и многие другие электронные устройства.
Наиболее распространенным источником постоянного тока является выпрямительное устройство, преобразующее переменный ток в постоянный. Оно называется вторичный источник электропитания.
В данной работе будут рассмотрены общие сведения об устройстве источников питания и их необходимых компонентах: трансформаторах, вентилях, сглаживающих фильтрах и стабилизаторах напряжения
В качестве источников электропитания применяются выпрямительные устройства. Выпрямитель в большинстве случаев состоит из следующих элементов:
- трансформатора, служащего для повышения или понижения напряжения сети до необходимой величины;
- одного или нескольких вентилей, обладающих односторонней проводимостью тока и выполняющих основную функцию выпрямителя - преобразование переменного тока в постоянный;
- сглаживающего фильтра, уменьшающего пульсацию выпрямленного тока.
Во многих устройствах, где предъявляются повышенные требования к постоянству выпрямленного напряжения, а также при значительных колебаниях напряжения сети в сочетании с выпрямителями применяют стабилизаторы постоянного и переменного напряжения.
В схему выпрямителя, кроме основных элементов, могут входить различные вспомогательные устройства, предназначенные для регулировки выпрямленного напряжения, включения и выключения выпрямителя, защиты выпрямителя от повреждений при нарушениях нормального режима работы, контрольно-измерительные приборы и т.п.
В настоящее время используются разнообразные типы выпрямителей, которые классифицируются по числу фаз выпрямляемого переменного тока, типу вентилей, схемам их включения и другим показателям.
Для питания различных узлов и блоков электронной аппаратуры наиболее часто применяют выпрямители, рассчитанные на небольшие мощности и работающие от однофазной сети переменного тока. Такие выпрямители называются однофазными. Они делятся на:
а) однополупериодные, в которых ток через вентиль проходит только в течение одного полупериода переменного напряжения сети;
б) двухполупериодные, в которых ток проходит через вентиль в течение обоих полупериодов;
в) схемы с умножением напряжения.
В
схеме однополупериодного выпрямителя
(рисунок 1) ток через вентиль и сопротивление
нагрузки протекает только в течение
половины периода переменного напряжения
U2,
действующего на зажимах вторичной
обмотки трансформатора. Такой ток имеет
пульсирующий характер, т.е. протекает
в одном направлении и изменяется по
величине от максимального I2m
до нуля. Постоянная составляющая
выпрямленного напряжения U0
=0,45U2.
Обратное напряжение, приложенное к
диоду, Uобр.=3,14U0.
Рисунок 1 - Однополупериодный выпрямитель. Схема выпрямителя, график токов и напряжений
Источник, выполненный на основы однополупериодного выпрямителя, нельзя использовать для питания различных электронных схем, требующих стабилизированного напряжения питания. Частота пульсаций напряжения на нагрузке равна частоте сети: fп =fc. Коэффициент пульсаций выпрямленного напряжения - Кп = 1,57. Кроме того, постоянная составляющая выпрямленного тока I0 =0,636 I2 , что значительно меньше действующего значения тока, это приводит к недостаточному использованию обмоток трансформатора по току. Однако простота схемы и легкость ее практической реализации делают его незаменимым при питании маломощных двигателей постоянного тока, вентиляторов и ряда маломощных электронных устройств, не критичных к качеству питающего напряжения.
Двухполупериодные схемы выпрямления делятся на два вида: схемы с выводом средней точки вторичной обмотки трансформатора (рисунок 2) и мостовые схемы (рисунок 3).

Рисунок 2 - Схема двухполуперионого выпрямителя со средней точкой, график токов и напряжений
В схеме с выводом средней точки вторичная обмотка трансформатора имеет три вывода: два от концов обмотки А и Б и третий - от ее середины О. По существу, данная схема представляет собой сочетание двух однополупериодных выпрямителей, работающих на одну нагрузку Rн. В один из полупериодов, когда конец обмотки А положителен по отношению к среднему выводу ток I2 проходит через диод VD1, нагрузочное сопротивление Rн и замыкается через вторичную обмотку ОА в направлении от О к А. В следующий полупериод, когда вывод Б положителен по отношению к точке О, ток I2, проходит от вывода Б через диод VD2, нагрузочное сопротивление Rн и замыкается через вторичную обмотку ОБ в направлении от О к Б. Через сопротивление нагрузки токи проходят в в оба полупериода в одном и том же направлении, создавая на этом сопротивлении выпрямленное напряжение U0. Из рисунка видно, что выпрямленные ток и напряжение имеют форму синусоидальных импульсов, повторяющихся в течение каждой половины периода. Постоянные составляющие тока и напряжения для двухполупериодной схемы оказываются в два раза больше, чем при однополупериодном выпрямлении.
Для данного вида схем необходимость вывода от середины вторичной обмотки является недостатком, так как при этом усложняется трансформатор.
Обратное
напряжение на диоде более чем в 3 раза
превышает выпрямленное напряжение Uобр
=3,14U0.
Действующее значение тока, проходящего
через вторичную обмотку трансформатора
- I2
= 0,785I0, что в два раза меньше, чем в
однополупериодной схеме. Таким образом,
лучше используются обмотки трансформатора
по току, это позволяет уменьшить размеры
и массу трансформатора. Частота пульсаций
равна удвоенной частоте сети: fп
=2fс,
коэффициент пульсаций выпрямленного
напряжения - Кп
= 0,67. Для данного вида схем необходимость
вывода от середины вторичной обмотки
является недостатком, так как при этом
усложняется трансформатор.
Рисунок 3 - Мостовая двухполупериодная схема выпрямителя, график токов и напряжений
Двухполупериодная мостовая схема в отличие от предыдущей схемы имеет обычный трансформатор (без вывода средней точки) и четыре диода, включенных по схеме моста. К одной диагонали моста присоединена вторичная обмотка трансформатора , к другой подключено нагрузочное сопротивление Rн. В один из полупериодов, когда потенциал точки А положителен, а потенциал точки Б отрицателен, ток проходит от точки А через диод VD1, сопротивление нагрузки и диод VD3 к точке Б. В следующий полупериод, когда полярность концов вторичной обмотки поменяется, ток пройдет от точки Б через диод VD2, сопротивление нагрузки и диод VD4 к точке А. Направление тока проходящего через нагрузочное сопротивление Rн, в течение обоих полупериодов остается неизменным. Поэтому, как и в схеме со средней точкой, в рассматриваемой схеме имеет место двухполупериодное выпрямление. Выпрямленный ток и напряжен имеют такую же форму, как и в схеме со средней точкой ( Рисунок 2)
Обратное напряжение на диоде Uобр=1,57U0, Действующее значение тока, проходящего через вторичную обмотку трансформатора I2= 1,11I0. Частота пульсаций равна удвоенной частоте сети: fп =2fс, коэффициент пульсаций выпрямленного напряжения - Кп = 0,67.
Сохраняя все достоинства схемы со средней точкой, мостовая схема имеет следующие специфические особенности:
- размеры и масса трансформатора меньше вследствие лучшего использования обмоток по току. Эта особенность основана на том, что ток протекает в течение периода во всей вторичной обмотке, а не в одной ее половине;
- конструкция трансформатора проще, так как не требуется специальный вывод от средней точки вторичной обмотки;
- обратное напряжение, приходящееся на один диод, вдвое меньше. Необходимость использования в схеме четырех диодов вместо двух, как в схеме со средней точкой, является недостатком данной схемы. Таким образом, мостовая схема получила широкое распространение в современных выпрямителях.
В большинстве случаев при питании электронной аппаратуры допускается весьма малая пульсация выпрямленного напряжения. Между тем на выходе основных выпрямительных схем пульсация во много раз превышает допустимую. Для уменьшения пульсации выпрямленного напряжения применяются сглаживающие фильтры. Основным требованием, предъявляемым к сглаживающему фильтру, является уменьшение переменных составляющих выпрямленного тока и напряжения в сопротивлении нагрузки.
Фильтры, используемые в устройствах электропитания, подразделяются на два основных вида: фильтры с емкостным входом и фильтры с индуктивным входом. Применяют различные комбинации включения элементов фильтра, имеющие различные названия ( П- образный фильтр,Г- образный фильтр, LC, R-С, С-L-С, С-R-С-фильтры и т.п.).
Для того чтобы на выходе выпрямителя получить напряжение с меньшими пульсациями, достаточно параллельно сопротивлению нагрузки Rн включить конденсатор. С появлением первой полуволны выходного напряжения конденсатор фильтра начнет заряжаться, напряжение на нем будет изменяться в соответствии с выходным напряжением выпрямителя и по окончании половины полупериода достигнет максимального значения. Далее напряжение на вторичной обмотке трансформатора уменьшается, а конденсатор начнет разряжаться через нагрузочное сопротивление, поддерживая положительное напряжение и ток в нагрузке на более высоком уровне, чем было бы при отсутствии фильтра. Прежде чем конденсатор полностью разрядится, появляется вторая положительная полуволна напряжения, которая осуществляет заряд конденсатора до максимального значения. Как только напряжение на вторичной обмотке начнет уменьшаться, конденсатор вновь начнет разряжаться на нагрузку. В дальнейшем циклы заряда и разряда конденсатора чередуются в каждом полупериоде.
Таким образом, через нагрузочное сопротивление ток проходит непрерывно, причем пульсации выпрямленного напряжения и тока значительно уменьшаются. В связи с этим схемы выпрямителей, используемых для питания сравнительно маломощной электронной аппаратуры, как правило, имеют на своем выходе конденсатор, который по существу является первым элементом сглаживающего фильтра.
Величину входной емкости сглаживающего фильтра, обеспечивающего пульсацию выпрямленного тока не более чем на 10% при частоте сети fc=50 Гц для двухполупериодных схем, подсчитывают по формуле С0= 25 I0 / U0, где С0 - входная емкость фильтра, мкФ; I0 - выпрямленный ток, мА; U0- выпрямленное напряжение, В. Для расчета рабочего напряжения на необходимо увеличить среднее значение выходного напряжения выпрямителя в 1,5 раза , а затем полученное значение увеличить на 25%.
Обычно в качестве конденсаторов фильтра используют электролитические конденсаторы, обладающие большой емкостью.
Кроме фильтров, приведенных выше, широкое распространение получили транзисторные сглаживающие фильтры. Они имеют малые габариты и массу, не создают нежелательных магнитных полей, возникающих вокруг дросселя LC-фильтров, имеют меньшие потери выпрямленного напряжения по сравнению с фильтрами типа RC.
Любое электронное оборудование нормально функционирует при том или ином диапазоне изменения напряжения питания. В большинстве случаев пределы изменения питающего напряжения должны быть очень незначительны. Поэтому, как правило, простейшие вторичные источники напряжения, не могут быть использованы, а требуется применение стабилизаторов напряжения.
Электронный стабилизатор - это устройство, которое включается между источником входного нестабилизированного напряжения и нагрузкой в целях поддержания напряжения на нагрузке в заданных пределах. Таким образом, выходное напряжение стабилизатора обеспечивает электропитание нагрузки, Стабилизатор автоматически реагирует на отклонение выходного напряжения от заданного значения так, что компенсирует эти изменения в независимости от причин, их вызвавших: изменений входного напряжения, тока нагрузки и т.д.
В маломощных устройствах широко применяются стабилизаторы, использующие характеристики полупроводниковых стабилитронов. Качество стабилизации применяется с применением транзисторов. В зависимости от способа включения стабилизирующего элемента относительно нагрузки различают два основных типа стабилизаторов: стабилизаторы параллельного и последовательного действия. Чаще используются последовательные стабилизаторы с регулирующим транзистором, так как они обладают лучшими характеристиками.
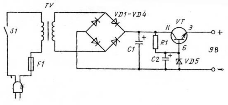
На рисунке 4 представлена электрическая принципиальная схема источника питания, содержащий последовательный стабилизатор. Питание схемы осуществляется от понижающего трансформатора TV. Схема содержит следующие элементы: конденсаторы С1 и С2, диоды VD1 - VD4, стабилитрон VD5, транзистор VT, резистор R1, плавкий предохранитель F1.

Рисунок 4 - Электрическая принципиальная схема выпрямителя
Регулирующий транзистор VT включен последовательно между выходом выпрямителя и положительным полюсом источника напряжения. Стабилитрон VD5 определяет потенциал базы транзистора VT относительно отрицательного полюса источника питания, а тем самым и значение выходного напряжения, так как положительное смещение между базой и эмиттером транзистора VT относительно мало.
Нестабилизированная часть источника питания выполнена на основе двухполупериодного мостового выпрямителя, имеющего конденсатор фильтра С1. Резистор R1 обеспечивает необходимый режим работы стабилитрона VD5 и транзистора VT, а конденсатор С2 совместно с резистором R1 образует дополнительный фильтр.
Пониженное напряжение поступает на выпрямительное устройство VD1 - VD4 . Переменная составляющая выпрямленного тока шунтируется конденсатором С1, затем отфильтрованный постоянный ток проходит через стабилизатор, после чего на выходе имеем постоянное напряжение, необходимое для питания нагрузки.
ЗАКЛЮЧЕНИЕ
В данном реферате была изложена общая информация об устройстве источников питания и их необходимых компонентах: трансформаторах, вентилях, сглаживающих фильтрах и стабилизаторах напряжения. На примере электрических принципиальных схем были рассмотрены принципы работы и особенности однополупериодного и двухполуперионого выпрямителя а также рассмотрено на схеме устройство источника питания.
БИБЛИОГРАФИЧЕСКИЙ СПИСОК
1. Гершунсский Б.С. Основы электроники и микроэлектроники: Учебник 4-е изд., перераб. и доп./ Б.С. Гершунсский. - К.: Выща шк.,1989.
2. Титце У. Полупроводниковая схемотехника/ У. Титце К. Шенк. - М.: Мир, 1982.
3. Трейстер Р. 44 источника электропитания для любительских электронных устройств/ Р. Трейстер, Дж.Мейо. - М.:Энергоатомиздат,1990.
4. Диоды выпрямительные. Стабилитроны. Транзисторы./Справочник под редакцией Д.В. Голомедова. - М.: Радио и связь, 1989.