Материал: Организация земляных и бетонных работ

Внимание! Если размещение файла нарушает Ваши авторские права, то обязательно сообщите нам

.1 Определение объемов земляных работ

Определить рациональные границы котлована или траншеи. В зависимости от вида грунта, глубины разработки определить коэффициент откоса т (см. прил. 2) и найти заложение откоса по формуле , где h − глубина разработки;  − заложение откоса; т − коэффициент откоса.

Объем земляных работ по котловану (рис. 2) определяется по формуле

,

где Fср − площадь среднего сечения, определяется по формуле

 или ;

 − заложение откоса; ан − ширина котлована понизу; ав − ширина котлована поверху; bн − длина котлована понизу; bв − длина котлована поверху.

Рис. 2. Определение объемов земляных работ

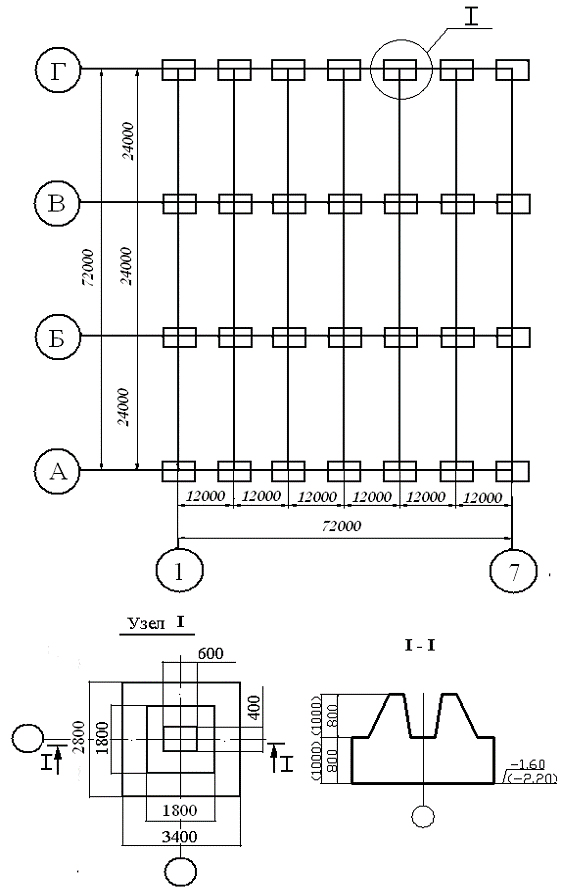
Пример. Грунт суглинок; h разработки - 2,0 м; mоткоса - 0,5м

Ось проходит по центру фундамента, размер подушки фундамента 1,6 м.

Определим ан -размер котлована понизу (поперечное сечение).

Размер в осях - 12,0 м.

Минимальное расстояние от края фундамента до подошвы откоса принимаем 0,6 м (для передвижения рабочих при устройстве фундамента).

Определяем рациональные габариты котлована. В поперечном сечении

ан = 12,0 + 2 ∙ 0,8+2 ∙ 0,6 = 14,8 м ;

ав =ан+2l ,

где l = h∙m - заложение откоса ;

ав = 14,8+2 ∙ 1,0 = 16,8.

Аналогично определяется размер котлована в продольном сечении bн и bв.

Полный объем разработки грунта − это сумма объемов грунта по котловану и съезду в котлован, который устраивается за пределами котлована: .

Объем грунта при устройстве съезда определяется по формуле

,

где L − длина съезда, ; h − глубина разработки котлована; с − ширина съезда (принята 4,5 м); i − уклон съезда, принят 15%.

После разработки грунта экскаватором в котловане или траншее производится подчистка грунта до проектной отметки бульдозером, а при разработке грунта отдельными котлованчиками подчистка выполняется вручную. Объем подчистки определяется по формуле

,

где − величина недобора грунта экскаватором в сантиметрах, которая зависит от марки экскаватора (прил. 3).

.2 Определение объемов работ при устройствемонолитных фундаментов

В первую очередь необходимо определить объем бетонной смеси, необходимый для устройства фундаментов, исходя из их вида и размера.

Пример. Ленточный фундамент.

Определяем объем бетона на одну секцию по простейшей формуле

бетона = Lлент ∙ S,

где Lлент - длина ленточного фундамента, м ; S - площадь сечения фундамента, м2(по варианту).

Для определения объема бетона (по варианту) на две, три секции необходимо объем бетона на одну секцию умножить на количество секций, но при этом учесть, что примыкание секций выполняется без устройства деформационных швов, т.е. последняя ось первой секции - это первая ось последующей. Значит, необходимо вычесть объем бетона в примыкании секций.

После определения объемов бетона определяется потребность в опалубке для укладки бетонной смеси. Для установки опалубки рекомендуется принимать щиты унифицированной инвентарной сборно-переставной деревянной опалубки (прил. 5).

На плане и разрезе фундаментов осуществляется раскладка щитов как с наружной, так и с внутренней стороны фундамента, при этом щиты могут «выступать» как за обрезы фундаментов, так и за габариты по высоте. Результаты расчетов заносят в табл. 1.

Таблица 1

Спецификация опалубки

№ п/п

Наименование опалубки

размеры

Площадь щита, м2

Количество  щитов,шт.

Общая площадь  опалубки, м2



длина

ширина




1

Щит основной

2500

500

0,75

18

13,5

2

и т.д.













Всего



При определении объемов арматурных работ рекомендуется исходить из условного соотношения веса арматуры к объему бетона в пределах 20-25 кг на 1м3 бетона. Армирование конструкций фундаментов осуществляется сетками и плоскими каркасами, доставляемыми на строительную площадку с производственных баз.

Стыковка сеток и каркасов осуществляется электросваркой или скруткой вязальной проволокой внахлест не менее 250 мм. Подсчитанный объем материала заносят в табл. 2.

Таблица 2

Основные материалы

№ п/п

Наименование

Ед. изм.

Количество

1

Бетонная смесь

м3


2

Опалубка мелкощитовая, деревянная

м2


3

Арматура

т





4. ВЫБОР И ОБОСНОВАНИЕ МЕТОДОВ ПРОИЗВОДСТВА БЕТОННЫХ РАБОТ

До начала устройства фундаментов должны быть выполнены следующие работы:

определены места складирования арматурных сеток, щитов опалубки;

определены места приема бетонной смеси;

произведена геодезическая разбивка осей и разметка положения фундаментов.

Работы ведутся в следующей последовательности:

укладывают арматурные сетки подушек фундаментов на фиксаторы, обеспечивающие защитный слой бетона по проекту, арматурные работы должны выполняться в соответствии со СНиП 3.03.01-87 «Несущие и ограждающие конструкции»;

принимают, укладывают и уплотняют бетонную смесь.

Весь комплекс работ по бетонированию ведется поточным методом. Ведущей работой при устройстве монолитных фундаментов является укладка бетонной смеси. Бетонирование производят только после проверки правильности установки опалубки и арматуры. В состав работ по бетонированию фундаментов входят прием и подача бетонной смеси, укладка и уплотнение, уход за бетоном.

Бетонную смесь укладывают горизонтальными слоями толщиной 0,3-0,5 м. Каждый слой бетона тщательно уплотняют глубинным вибратором. При уплотнении бетона конец рабочей части вибратора должен погружаться в ранее уложенный слой бетона на глубину

-10 м. Шаг перестановки вибратора не должен превышать 1,5 радиуса его действия.

При укладке бетонной смеси в конструкцию фундаментов могут быть рекомендованы две схемы механизации работ:

− доставка бетонной смеси самосвалами, выгрузка ее в поворотные бадьи «туфельки», подача краном к месту укладки;

− доставка бетонной смеси автобетоносмесителями, выгрузка в приемные бункеры бетононасоса или бетоноукладчика и подача ее по трубопроводам к месту укладки.

Выбор схемы механизации обусловлен объемом укладываемой бетонной смеси. Возможны и комбинации приведенных схем исходя из конкретного задания. Для доставки бетонной смеси на строительную площадку используются автосамосвалы, автобетоновозы и автобетоносмесители. Выбор вида транспорта осуществляется исходя из дальности транспортирования, вида дорожного покрытия и подвижности бетонной смеси. Технические характеристики транспортных средств для доставки бетонных смесей приведены в прил. 8. В зависимости от конструктивных особенностей возводимого объекта, от типа и расположения фундаментов бетонную смесь, доставляемую на строительную площадку автобетоновозами и автосамосвалами к месту укладки, подают бетононасосами либо краном в бадьях.

В большинстве случаев бетонирование монолитных фундаментов производится по схеме «кран-бадья». Для подачи бетонной смеси применяются самоходные краны (автомобильные, пневмоколесные) и краны рельсовые («нулевики») башенные. Для выбора конкретного типа крана и определения его параметров необходимо:

− рассчитать требуемый вылет стрелы крана при подаче бетона в максимально удаленную точку, учитывая возможность перемещения крана по периметру объекта, если подача осуществляется самоходным краном (рис. 9), и при перемещении крана с одной стороны объекта, если подача бетона осуществляется рельсовым краном (рис. 10);

− подобрать бадью по емкости для работы с краном (разные типы кранов, а с ними и разные ) и определить монтажную массу, т: , (принят 2,1 т/м3); γбет - объемный вес бетона; qб− масса бадьи, т (прил.6). Наиболее применяемые бадьи - унифицированные поворотные ЦНИИОМТП (прил.6).

Определяем монтажную массу каждой бадьи в (т) и заносим в табл. 3.

Таблица 3

Определение монтажной массы

Емкость бадьи, м3

Масса бадьи, т

Масса бетона в бадье,т

Qм монтажная масса

1,0

0,45

2,1

2,55

1,5

0,62

3,15

3,77

2,0

0,88

4,2

5,08


По технологии производства работ на подаче бетона могут применяться как рельсовые, так и самоходные краны. Наша задача подобрать два возможных варианта комплектов машин на бетонировании фундаментов. После экономического сравнения этих вариантов к производству работ принимается вариант с минимальными удельно-приведенными затратами.

Определяем вылет стрелы Z при подаче бетона в самую удаленную точку.


Вылет Zм-17,65 м.

Если вылет меньше 20 м, рекомендуется принимать рельсовый кран «нулевик» МСК 3-5/20.

На mах вылете кран поднимает 3т.

Из табл.3 выбираем бадью объемом 1,0 м3, монтажной массой 2,55 т

(Vб = 1,0 м3; Qм = 2,55 т).

При вылете более 20 м для подачи бетона рекомендуется принять кран башенный со стрелой 25 м КБ-306 грузоподъемностью 5-8 т.

Выбираем бадью (табл. 3) с Qм до 5 т.(Vб = 1,5 м3; Qм =3,77 т).

Пример. Выбор самоходного крана.

Определяем максимальный вылет самоходного крана (с учетом работы крана с двух сторон).


Определив вылет, необходимо выбрать бадью (бадьи выбираем разные: если с рельсовым краном, принимаем Vб = 1,0 м3, с самоходным принимаем Vб = 1,5 м3). Определив вылет Zм и приняв объем бадьи Vб с монтажной массой Qм подбираем по справочным данным необходимый кран, который на вылете Zм может поднять Qм (т).

Выбраны краны:

. Рельсовый (марка).

. Самоходный (марка).

При бетонировании фундаментов выбранные краны работают в комплекте с автотранспортом, доставляющим бетонную смесь на строительную площадку. Выбор автотранспорта по грузоподъемности для доставки бетонной смеси на площадку зависит от емкости принятых бадей при расчете QM. На площадке должно быть минимум две бадьи, которые устанавливаются вплотную на щит (из металла). Вместимость кузова самосвала (бетоновоза) должна быть кратна вместимости двух принятых бадей (м3)

Примеры:

1. Для работы с рельсовым краном принята бадья V = 1,5 м3.Для заполнения двух бадей необходимо доставить 3,0 м3 бетонной смеси массой 6,3 т (при  = 2,1 т/м3). Отсюда грузоподъемность самосвала должна быть не менее 6,3 т. Подбираем марку автосамосвала необходимой грузоподъемности (прил. 9).

. Для работы с самоходным краном принята бадья V = 1,0 м3, аналогично требуемая грузоподъемность самосвала должна быть не менее 4,2 т. Выбираем марку самосвала необходимой грузоподъемности (см. прил. 9).

Далее необходимо рассчитать количество автотранспорта в смену для доставки бетонной смеси при соблюдении заданного темпа бетонирования. Определяется количество самосвалов N по формуле

 ,

где − общий объем бетона, м3; − объемный вес бетонной смеси (2,1 т/м3); − расстояние доставки бетонной смеси, км;  −количество смен, в течение которых должно быть проведено бетонирование; −полезная работа, выполняемая одним самосвалом,т-км.

Нормативные сроки , в течение которых должно быть проведено бетонирование заданного объема, определяется по формуле

,

где Hвр - норма времени на бетонирование 1м3 бетона, чел-ч (ЕНиР сборник 4); р - количество бетонщиков в звене.

Полезная работа одного самосвала при доставке бетонной смеси определяется по формуле

,

где q − грузоподъемность автосамосвала;  − коэффициент использования грузоподъемности; п − число рейсов самосвала в смену,

,

где tс − время одной смены в час;  − время одного цикла работы самосвала,

,

где − время погрузки одного самосвала на бетонном заводе;  − время в пути,

 или

где Vср − средняя скорости самосвала (порожнего и с грузом); − время на разгрузку и маневры.

Данные для расчета приведены в прил. 10, 11. После окончательного выбора комплекта машин в табл. 4 заносят машины, механизмы и приспособления с краткой технической характеристикой.