Материал: no301_Opredelenie__udelnogo__elektricheskogo__soprotivleniya_provoloki

Внимание! Если размещение файла нарушает Ваши авторские права, то обязательно сообщите нам

Лабораторная работа № 301

Лабораторная работа №301

ОПРЕДЕЛЕНИЕ УДЕЛЬНОГО ЭЛЕКТРИЧЕСКОГО СОПРОТИВЛЕНИЯ ПРОВОЛОКИ

Приборы: лабораторная установка ФПМ-01, мост постоянного тока Р-333.

Цель работы: приобретение навыков проведения простейших измерений электрических величин, практическое применение законов постоянного тока, изучение влияния измерительных приборов на результаты измерения.

Введение. Согласно закону Ома протекающий по проводнику ток прямо пропорционален напряжению. Коэффициентом пропорциональности является

1/R, где R – электрическое сопротивление проводника.

 

I

1

U .

(1)

 

 

R

 

В свою очередь, сопротивление проводника R тем больше, чем больше

его длина l и чем меньше площадь поперечного сечения S

 

R

l

,

(2)

 

 

 

 

S

 

где – удельное сопротивление вещества, из которого состоит проводник. Если проводник имеет правильную геометрическую форму, удельное

сопротивление материала можно определить из формулы (2), измерив предварительно его длину l, площадь поперечного сечения S и электрическое сопротивление R. Об измерении длины и площади сечения говорить в данный момент не будем.

Сопротивление можно измерить различными способами: 1) прибором для измерения сопротивлений – омметром, 2) методом вольтметра-амперметра и 3) с помощью моста постоянного тока (моста Уитстона, например). В данной лабораторной работе предлагается измерить сопротивление металлической проволоки вторым и третьим способами.

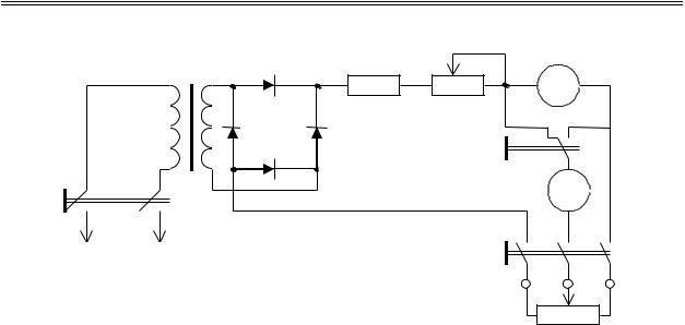
Для определения сопротивления проволоки методом вольтметраамперметра применяется лабораторная установка, принципиальная схема которой приведена на рисунке. Измерения проводятся на постоянном токе. Так как в установке нет автономного источника питания, то в качестве источника постоянного тока используется выпрямитель напряжения промышленной частоты (Выпр.), поэтому ее следует включать в сеть 220 В. Электрическая цепь полностью собрана и готова к измерениям.

Проволока, сопротивление которой предстоит измерять в ходе лабораторной работы, обозначена на схеме RX. Резистор R2 предназначен для

10

Лабораторная работа № 301

регулирования величины рабочего тока, ручка управления резистором

 

 

 

+

 

А

 

 

 

 

 

 

 

Выпр

R1

R2

 

 

 

 

 

 

Сеть

 

.

 

П1

 

 

 

 

 

 

 

 

 

 

Сх-1

Сх-2

Вк

 

 

 

 

V

 

 

 

 

 

 

 

 

 

 

~ 220 В

 

Мост

П2

 

 

 

В-А

 

 

50 Гц

 

 

RX

 

 

 

 

выведена на переднюю панель и имеет надпись «Регулировка тока». Резистор R1 служит для ограничения тока в цепи и предотвращения короткого замыкания источника тока.

Упражнение 1 Измерение сопротивления методом амперметра-вольтметра

Измерения. Определение сопротивления проволоки методом вольтметраамперметра сводится к измерению тока I, протекающего через проволоку, и падения напряжения U, которое на ней при этом возникает. Сопротивление R вычисляется из закона Ома (1).

В данной лабораторной установке предусмотрено два возможных варианта включения электроизмерительных приборов, используемых в работе. Выбор той или иной схемы включения приборов производится с помощью переключателя П1, имеющего два положения – «Сх-1/Сх-2».

1.Нарисуйте в рабочей тетради обе схемы. Обратите внимание на то, чем они отличаются друг от друга.

2.Установите скользящий контакт (движок) на стойке с натянутой проволокой в среднее положение.

3.Включите установку в сеть переменного тока 220 В.

4.Переключатель рода работы П2 поставьте в положение «В-А»

измерение сопротивления методом вольтметра-амперметра (кнопка утоплена; три провода, идущие к RX, будут замкнуты), переключатель П1 – в положение «Сх-1».

5.Ручкой «Регул. тока» (на рисунке – резистор R2) установите желаемое значение рабочего тока по амперметру (обычно 100…300 мА).

6.Снимите зависимость сопротивления проволоки от ее длины, изменяя положение движка на стойке в интервале от 10 до 50 см через 5,0 см. В каждом положении снимите показания амперметра и вольтметра, поочередно включая

11

Лабораторная работа № 301

их по схеме Сх-1 и по Сх-2 (табл.1). Почему показания приборов при этих измерениях несколько различаются?

7.Выключите установку из сети и измерьте диаметр проволоки в

нескольких местах с целью определения его среднего значения – d . Результат измерения диаметра запишите в виде

d d d .

 

 

 

 

 

 

 

 

Таблица 1

l,

 

Сх-1

 

Сх-2

 

 

R, Ом

 

см

 

 

 

 

 

 

(по уточн. формулам)

 

 

I,мА

U,В

R,Ом

I,мА

U,В

R,Ом

Сх-1

Сх-2

сред.

 

 

 

 

 

 

 

 

 

 

 

 

 

 

 

 

 

 

 

 

 

 

 

Обработка результатов измерений. 1.Вычислите сопротивление R при обеих схемах включения измерительных приборов, используя закон Ома. Почему сопротивление проводника одной и той же длины получается различным? Очевидно, это связано со схемами включения приборов. Но как?

2.Для обеих схем включения постройте (на одном планшете!) графики зависимости сопротивления проволоки от ее длины.

3.Для Сх-1 и Сх-2 выведите уточненные формулы с целью определения сопротивления проволоки по тем же экспериментальным результатам. При выводе уточненных формул должно быть учтено то, что измерительные приборы имеют свое внутреннее сопротивление. В данном случае внутреннее сопротивление приборов известно и приведено на установке.

4.Рассчитайте сопротивление проволоки по уточненным формулам для обеих схем включения. Сравните полученные значения сопротивления при одной и той же длине проволоки. Отличаются ли они друг от друга и от значений, вычисленных прежде (п.1)? Найдите средние значения сопротивления, полученного по уточненным формулам для Сх-1, Сх-2. Нанесите их на построенный график в виде точек другого цвета.

5.Определите удельное сопротивление металла, из которого сделана

проволока, по формуле (2). Для расчета

следует взять такую пару величин R

и l, которые дадут наименьшую погрешность определения .

 

 

 

 

Относительную погрешность

измерения

удельного

 

 

сопротивления

(приборную) можно оценить по следующей формуле [2,3,4]:

 

 

 

 

 

 

 

 

 

 

 

 

 

 

 

 

 

 

 

 

U 2

I 2

l 2

 

2

d

 

2

 

(3)

 

 

 

 

 

 

 

 

 

 

.

 

 

U

I

 

l

 

 

 

d

 

 

 

 

Из вышенаписанной формулы следует, что погрешность определения будет наименьшей (а точность – наибольшей), если длина проводника l – наибольшая. При этом и напряжение U достигает наибольшего значения. Величина l определяется, очевидно, шириной скользящего по проволоке

12

Лабораторная работа № 301

 

 

движка. Абсолютная погрешность измерения силы тока I

и напряжения U

определяется классом точности

используемых

электроизмерительных

приборов [3,4]. Определите I

и U тех измерительных приборов, которыми

укомплектована лабораторная установка.

 

 

Найдя / , определите

 

и запишите

Ваш

экспериментальный

результат в стандартном виде: .

 

 

 

Упражнение 2 Измерение сопротивления проволоки

мостом постоянного тока

Мостовой метод измерения сопротивления является более точным по сравнению с другими. Можно воспользоваться любым мостом, имеющим подходящий предел измерения. Мы предлагаем использовать мост постоянного тока типа Р-333, дающий результат с точностью четыре знака.

Измерения. Внимание! При работе с мостом лабораторную установку в сеть включать не надо. К тому же делать это нельзя и в целях обеспечения сохранности прибора Р-333.

1.Переключатель П2 поставьте в положение «Мост» (клавиша отжата). 2.Соедините клеммы Х4 и Х5 (RX) на передней панели лабораторной

установки с клеммами 2 и 3 моста (рис.2).

V

mA

2

 

 

 

P-333

 

 

Rx

Х3 Х4 Х5

 

 

 

3

 

Rx

 

 

 

 

 

Рис.2

3.Установите длину проволоки 50,0 см.

4.Предложите преподавателю или лаборанту проверить собранную цепь. Измерение сопротивления мостом постоянного тока Р-333 производится в

следующем порядке.

5.Переключатель моста «Схема» поставьте в положение «МВ» – мост Витстона.

6.Переключатель десятичных множителей поставьте в положение 0,001 (так как величина измеряемого сопротивления приблизительно известна из упр.1).

13

Лабораторная работа № 301

7.Нажмите кнопку «Грубо» и зафиксируйте ее в этом положении легким поворотом данной кнопки на четверть оборота. Нажимая кнопку «Вкл. гальван.» на 1-2 секунды, установите стрелку гальванометра на нуль с

помощью старших декадных переключателей ( 1000

и 100). Эта операция

называется

уравновешиванием

моста.

Когда

отклонение

стрелки

гальванометра не будет превышать 2-3 делений, освободите кнопку «Грубо» , нажмите и зафиксируйте кнопку «Точно» и продолжайте уравновешивание моста младшими декадами ( 10 и 1). Мост считается уравновешенным, если при нажатии кнопки «Вкл. гальван.» стрелка гальванометра находится на нулевой отметке и остается неподвижной.

8.Снимите показания декадных переключателей, просуммируйте их и умножьте на установленный множитель 0,001, результат запишите в табл.2.

9.Измерьте сопротивление проволоки длиной 50; 40…10 см с точностью до четырех значащих цифр (используя возможности моста Р-333). Результаты запишите в табл.2.

10.После окончания работы все утопленные кнопки моста освободите во

избежание разряда источника питания.

 

 

 

 

 

 

 

 

 

 

 

 

 

 

Таблица 2

l,

R,

Ri R j ,

li, j ,

i,

 

 

 

2 ,

 

 

изм.

см

Ом

 

 

 

 

 

i

 

 

Ом

см

 

 

 

 

 

 

 

 

 

 

 

 

 

 

 

 

 

 

 

 

 

 

 

 

 

 

Обработка результатов измерения. 1.Рассчитайте удельное сопротивление материала, найдя предварительно сопротивление отдельных

участков проволоки Ri, j Ri R j длиной li, j li l j по формуле

 

 

 

 

 

 

2

R

 

 

 

 

d

 

 

 

 

 

 

 

i, j

,

(4)

i

 

 

 

 

 

 

 

4 li, j

 

 

 

 

 

 

где i,j – порядковые номера измерений в табл.2. Найдите не менее пяти значений i.

2.Найдите среднее значение по всем измерениям данного упражнения. 3.Рассчитайте погрешность по Стьюденту как для прямых измерений:

 

1

 

n

 

t p,n

 

 

 

i 2 .

(5)

 

 

 

 

 

 

 

n n 1

 

 

 

 

 

 

i 1

 

4.Окончательный результат представьте в виде

 

 

 

 

,

 

 

 

 

указав коэффициент доверия 0,95.

 

 

 

 

 

 

 

 

14