Материал: me_8204_1_PIN

Внимание! Если размещение файла нарушает Ваши авторские права, то обязательно сообщите нам

МИНОБРНАУКИ РОССИИ

Санкт-Петербургский государственный

электротехнический университет

«ЛЭТИ» им. В.И. Ульянова (Ленина)

Кафедра радиотехнической электроники

отчет

по лабораторной работе №2

по дисциплине «Микроволновая электроника»

Тема: «Исследование характеристик переключателя и ограничителя на p-i-n диодах»

Студенты гр. 8204:

Дичковский Д. Ю.

Овсянников А. И.

Михайлов О. П.

Преподаватель

___________________

Коломийцев А. А.

Санкт-Петербург

2021

Цель работы: ознакомление с принципами действия переключательных и ограничительных p-i-n диодов, а также схем на их основе и измерение их основных характеристик на СВЧ.12Equation Section 2

Основные теоретические положения:

Общий вид ВАХ управляющего диода приведен на рис. 1. Для сравнения приведена, построенная в тех же осях, ВАХ детекторного диода. Как видно из рисунка, основным отличием ВАХ управляющего диода является более резистивный характер прямой ветви, что вполне логично ввиду наличия низколегированной -области. По этой же причине увеличение прямого тока начинается при больших напряжениях, а пробой наступает позже.

Рисунок 1.

Ограничительные диоды служат для ограничения (стабилизации) уровня мощности в трактах СВЧ и для защиты входных цепей приемников от воздействия мощных СВЧ-сигналов.

На рис. 2 и рис. 3 приведены типичные зависимости выходной мощности от входной для диодов с различными напряжениями смещения и толщиной -области. Эти зависимости называются ограничительными характеристиками диода.

Рисунок 2. Рисунок 3.

При фиксированной толщине слоя собственного полупроводника порог ограничения можно регулировать путем изменения напряжения смещения (рис. 1). Понятно, что прямое смещение снижает порог ограничения, а обратное – увеличивает. Таким образом, ограничитель – устройство, использующее нелинейность ВАХ диода для ограничения мощности, проходящей через диодную секцию в нагрузку. При том, естественно, может иметься некоторое постоянное смещение, регулирующее уровень максимальной выходной мощности ограничителя. В ограничительных устройствах диод параллельно включается в СВЧ-тракт; если мощность СВЧ-сигнала превышает определенный уровень, диод открывается и отражение от него резко возрастает.

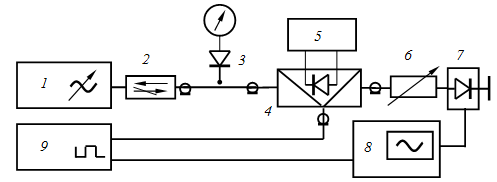
Рисунок 4.

Принципиальная схема исследования переключателя на двух p-i-n диодах, представлена на рис. 4. Сигнал от СВЧ генератора 1 через вентиль 2 подается на на p-i-n диоды 3 и 4. Мощность СВЧ-сигнала, протекающего через p-i-n диоды, ослабляется фиксированными (10 дБ) аттенюаторами 5 и 6 и подается на детекторные секции 7 и 8. Приборы постоянного тока 9 и 10 используются для измерения мощностей на выходах левого и правого плеч переключателя. В установке предусмотрена минимизация неидеальности плеч при измерениях характеристик. Напряжение смещения (прямое или обратное) от регулируемого источника питания 11 подается на p-i-n диоды. С помощью ключа 12 осуществляется последовательная коммутация диодов (если на одном из диодов есть напряжение смещения, то на другом оно равно нулю).

Рисунок 5.

На рис. 5 представлена принципиальная схема исследования ограничителя. Сигнал от СВЧ-генератора 1 через вентиль 2 и измерительную линию 3 поступает в ограничитель на p-i-n диоде 4, питание которого осуществляется от источника напряжения 5. С выхода ограничителя СВЧ-мощность, ослабленная на 10 Дб фиксированным аттенюатором 6 через детекторную секцию 7 подается на осциллограф 8. Схема позволяет исследовать зависимость времени восстановления обратного сопротивления, и времени установления прямого напряжения Ф в зависимости от длительности и частоты следования импульсов генератора 9. Уровень входной СВЧ-мощности в обе их схемах регулируется и измеряется с помощью приборов генератора.

Обработка результатов эксперимента:

  1. Статические вольтамперные характеристики диодов.

Таблица 1 «ВАХ диода №1»

 

Диод №1

U, В

0

0,8

0,9

1

1,1

1,2

1,3

1,4

1,5

I, мА

0

0

0,1

0,3

0,85

1,85

3,3

6

8

Таблица 2 «ВАХ диода №2»

 

Диод №2

U, В

0

0,8

0,9

1

1,1

1,2

1,3

1,4

1,5

I, мА

0

0

0,1

0,3

0,8

1,9

3,55

7

9

Рисунок 6.

  1. Зависимости потерь пропускания и потерь запирания переключателя от напряжения при постоянной частоте 1200 мГц.

Таблица 3 «Зависимость мощностей от напряжения»

 

U, В

0

0,1

0,2

0,3

0,4

0,5

0,6

0,7

0,8

0,9

1

1,1

1,2

1,3

1,4

1,5

Диод №1

Pлев, Вт

50

50

50

50

50

50

50

52

55

61

70

79

85

88

90

90

Pправ, Вт

50

50

50

50

50

50

50

48

44

37

25

14

7

4

2

2

Диод №2

Pлев, Вт

50

50

50

50

50

50

50

47

42

33

20

10

4

3

2

2

Pправ, Вт

50

50

50

50

50

50

50

52

53

58

64

70

74

76

77

78

Пример расчета потерь:

(дБ)

Таблица 4 «Рассчитанные значения потерь»

U, В

0

0,1

0,2

0,3

0,4

0,5

0,6

0,7

0,8

0,9

1

1,1

1,2

1,3

1,4

1,5

Lпроп1

3,42

3,42

3,42

3,42

3,42

3,42

3,42

3,25

2,97

2,47

1,74

1,12

0,76

0,61

0,51

0,51

Lзап2

3,42

3,42

3,42

3,42

3,42

3,42

3,42

3,65

3,96

4,82

6,65

9,44

13,31

14,62

16,38

16,43

Lзап1

3,42

3,42

3,42

3,42

3,42

3,42

3,42

3,60

3,94

4,64

6,21

8,64

11,60

14,03

17,04

17,04

Lпроп2

3,42

3,42

3,42

3,42

3,42

3,42

3,42

3,21

2,95

2,37

1,59

0,99

0,64

0,58

0,53

0,52

Рисунок 7.

Рисунок 8.