менять максимальное значение выходного тока. Ограничение выходного тока стабилизатора не только защищает его от повреждения, но в ряде случаев позволяет избежать и повреждения самой нагрузки, например, при неправильном ее подключении. Требуемое значение сопротивления R1 оп-
ределяется по закону Ома: R1=Uбэ/Iпор, где Uбэ – напряжение на переходе база-эмиттер VT1, при котором он открывается, Iпор – порог срабатывание токовой защиты.
Б |
VT2 |
+ |
|
К |
|||
|
|
||
|
VT1 |
VT3 |
|
|
|
||
|
|
Uвых |
|
Uвх |
+ |
|
|
|
|
R1 |
|
|
− |
Э |
|
|
|
− |
Рис. 2.41. Защита от короткого замыкания в нагрузке составного проходного транзистора (VT2,VT3).
Недостатком метода (рис. 2.41) является относительно высокое напряжение, требуемое для открывания транзистора VT1. При больших токах нагрузки резистор R1 должен иметь большую мощность рассеивания.
Пусть Iпор=10А, тогда в случае короткого замыкания выхода резистор R1 будет рассеивать мощность 6 Вт. С другой стороны, резистор R1 увеличивает выходное сопротивление устройства, а падение напряжения на нем уменьшает напряжение нагрузки. Другим недостатком данного схемотехнического решения является трудность установки точного значения порога срабатывания защиты.
Схема (рис.2.42) иллюстрирует несколько другой подход. Защита срабатывает при напряжении на резисторе-датчике тока R3 не в 0,6 В (как в схеме рис. 2.41), а всего лишь несколько милливольт. Транзисторы VT4 и VT5 образуют составной проходной транзистор, остальные элементы относятся к схеме защиты.
Принцип действия основан на известном соотношении:
∆ U = ϕ тln |
Iк1 |
, |
|
Iк2 |
|||
|
|
||
где ∆ U – разность падений напряжений на эмиттерных переходах согласо- |
|||
ванной пары транзисторов; |
|
|
|
ϕ т – термический потенциал, равный ≈ |
26 мВ при температуре +20° С; |
||
Iк1, Iк2 – коллекторные токи соответствующих транзисторов (VT1 и VT2).
Коллекторный ток VT1: Iк1 = (Uпит – Uбэ1)/R1, где Uпит – напряжение питания схемы защиты.
+ Uпит |
|
VT4 |
К |
|
Б |
|
|
R1 |
R2 |
|
VT5 |
|
|
VT3 |
|
|
VT2 |
|
|
VT1 |
|
|
|
|
|
R3 |
|
|
|
|
Э |
Рис.2.42. Уменьшение падения напряжения на резисторе-датчике тока.
Если через R3 протекает ток меньший порогового Iпор, то на нем падает напряжение не более нескольких милливольт, то есть к эмиттерному переходу транзистора VT2 приложено практически такое же напряжение,
что и к одноименному переходу транзистора VT1 (Uбэ1≈ Uбэ2). Так как VT1 и VT2 идентичные по параметрам транзисторы, их коллекторные токи
примерно одинаковы (Iк1 ≈ Iк2). Однако из-за того, что R2 > R1 (обычно R2 = 10 R1) транзистор VT2 оказывается насыщенным, падение напряжения на переходе база-эмиттер VT3 минимальна, и он закрыт. Закрытый транзистор VT3 на работу регулирующего составного транзистора влияния не оказывает.
Если ток нагрузки превысит Iпор падение напряжения на R3 увеличится настолько, что согласно выражению ∆ U = ϕ тln(Iк1 / Iк2) приведет к
уменьшению Iк2, запиранию транзистора VT2 и открытию VT3. Переход коллектор-эмиттер VT3 при этом шунтирует управляющий эмиттерный переход составного регулирующего транзистора. Таким образом, выходной ток стабилизатора ограничивается.
Предположим, что на R3 падает напряжение ≈ 60 мВ. Тогда по отношению к напряжениям эмиттерных переходов транзисторов и напряжению
питания схемы защиты Uпит им можно пренебречь. При этом величина коллекторного тока транзистора VT2: Iк2≈ (Uпит – Uбэ3)/R2. Подставив со-
отношения, определяющие токи Iк1 и Iк2, в вышеприведенное выражение для ∆ U получим:
∆ U = ϕ Тln R 2 , R1
так как Uбэ1 ≈ Uбэ2. Из последнего следует, что ∆ U не зависит от напряжения питания схемы. При R2/R1=10, величина ∆ U = 60± (1 – 3) мВ, то есть порог срабатывания можно задавать с высокой точностью без какой-либо последующей подгонки, в то время как в схеме (рис. 2.41) порог срабатывания защиты может колебаться в пределах ± (10 – 20)%.
Так как величина термического потенциала ϕ т линейно зависит от температуры, R3 желательно изготавливать из медной проволоки или другого материала с температурным коэффициентом близким к температур-
ному коэффициенту ϕ т (+0,33%/° C).
Конденсатор С служит для предотвращения открывания транзистора VT3 при переходных процессах в схеме ( рекомендуемое значение емкости конденсатора С=0,005 – 0,015 мкФ).
Если R1=15 кОм, R2=150 кОм, R3=0,6 Ом, то величина порогового то-
ка равна 0,1 А. Для другого значения Iпор сопротивление резисторов R1 и R2 рассчитываются так. Исходя из максимального входного тока защищае-
мого проходного транзистора Iвх, определяют ток короткого замыкания Iкз, который может протекать через транзистор VT3 в момент срабатывания защиты:
Iкз = Iвх − hIпор ,
21Э45
где h21э45 – коэффициент передачи тока составного регулирующего транзистора. Затем рассчитывают ток базы VT3 Iбз = Iкз / h21э3 и выбирают сопротивление R2 таким образом, чтобы Iк2 в 5 – 10 раз превышал ве-
личину Iбз. Сопротивление резистора R1 выбирают из соотношения R1=0,1R2. Следует отметить, что соотношение сопротивлений R1 и R2 может быть и иным. При этом порог срабатывания защиты (напряжения на R3) может изменяться от единиц до сотен милливольт.
Транзистор VT3 может быть, и не согласован с транзисторами VT1 и VT2. Сами же транзисторы VT1 и VT2 должны быть согласованы. Поэтому в качестве VT1 и VT2 крайне нежелательно использовать отдельные транзисторы. Целесообразно использовать транзисторные сборки, представляющие собой наборы транзисторов, выполненных в едином кристалле.
На рис. 2.43 представлена схема стабилизатора, у которого в случае короткого замыкания на выходе шунтируется источник опорного напря-
жения (стабилитрон VD3) и потенциал базы составного регулирующего |
|||||
транзистора падает практически до потенциала земли (0 В). |
|
|
|||
− |
|
VT2 |
VT3 |
|
|
R1 |
R2 |
|
|
||
|
|
|
|
||
Uвх |
VT1 |
|
|
− |
|
|
|
U |
вых |
Rн |
|
VD1 |
|
|
|||
|
|
R4 |
|
||
|
R3 |
+ |
|
||
VD2 |
VD3 |
|
|
|
|
|
|
|
|
||
+ |
|
|
|
|
|
Рис. 2.43. Последовательный стабилизатор с защитой от короткого |
|
||||
|
|
замыкания в нагрузке. |
|
|
|
К базе транзистора VT1 приложено напряжение смещения ≈ 1,5 В с диодов VD1 и VD2, которые совместно с резистором R1 образуют делитель входного напряжения. Опорное напряжение создается параметрическим стабилизатором (R2, VD3) и с делителя напряжения (переменное сопротивление R3) подается на базу составного регулирующего транзистора (VT2,
VT3).
В нормальных условиях (отсутствие короткого замыкания на выходе) транзистор VT1 закрыт, так как его переход база-эмиттер смещен в обратном направлении. Транзистор VT1 на работу стабилизатора влияния не оказывает, и схема функционирует аналогично стабилизаторам, рассмотренным в п.2.5 «Компенсационные стабилизаторы».
При коротком замыкании выхода эмиттер VT1 замыкается на землю (общий «+»). Потенциал базы VT1 относительно эмиттера становится отрицательным, и транзистор открывается, шунтируя своим переходом коллектор− эмиттер стабилитрон VD1. Коллекторный ток VT1 проходит через резистор R2, падение напряжения на нем возрастает и уменьшается отрицательное смещение на базе составного проходного транзистора. Это приводит к закрытию регулирующего транзистора и резкому уменьшению выходного тока.
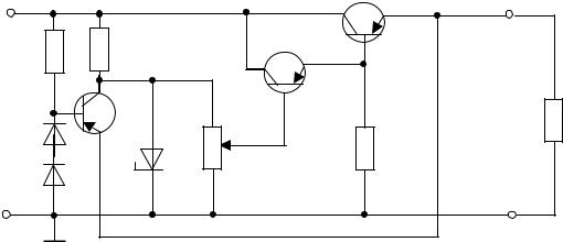
На рис. 2.44 показана схема стабилизатора с динисторной защитой. Резистор R3 выполняет функцию датчика тока.
Параметрический стабилизатор образован элементами R5 и VD4. Нагрузкой этого стабилизатора является база составного регулирующего транзистора (VT2, VT3).
SB «сброс» |
|
|
|
|
|
− |
|
|
|
|
|
R1 |
R3 |
R5 |
VT3 |
|
|
|
|
||||
VT1 |
|
|
VT2 |
− |
|
Uвх |
|
VD2 |
|
||
VD1 |
Uвых |
Rн |
|||
|
VD4 |
||||
R4 |
|
|
|
+ |
|
|
|
|
|
||
R2 |
|
VD3 |
|
|
|
|
|
|
|
+
Рис.2.44. Стабилизатор напряжения с динисторной защитой.
При малых токах нагрузки падение напряжения на R3 мало, коллекторный ток транзистора VT1 мал и напряжение на резисторе R3 невелико. Диод VD1 при этом закрыт и динистор VD3 «выключен».
При увеличении тока нагрузки, возрастает напряжение на резисторе R3, а следовательно, и на эмиттерном переходе транзистора VT1. Причем это напряжение является прямым для перехода база-эмиттер VT1. Транзи-
стор VT1 открывается, его коллекторный ток Iк1 увеличивается, что приводит к повышению напряжения на резисторе R2. При этом может даже открыться диод VD1, но динистор VD3 до некоторого порогового тока на-
грузки Iпор остается «выключенным». Ток через VD2 не протекает и схема защиты на работу стабилизатора влияния не оказывает.
При увеличении тока нагрузки до Iпор падение напряжения на R2 превышает напряжение «включения» динистора. Динистор VD3 «включается» и замыкает базу составного регулирующего транзистора на землю. Выходной ток стабилизатора резко падает. Вернуть стабилизатор в рабочее состояние после устранения короткого замыкания на выходе можно нажатием кнопки SB «сброс».
2.7 Защита стабилизаторов от перенапряжения на выходе
Нормальная работа стабилизатора напряжения возможна только при наличии положительного перепада напряжений вход-выход ∆ U=Uвх− Uвых. Причем падение напряжения на стабилизаторе ∆ U может достигать
100% от Uвых и более. В аварийном режиме (пробой перехода коллекторэмиттер проходного транзистора или отказ схемы управления этим транзистором) напряжение на выходе стабилизатора повышается практически до
величины Uвх. Это может привести к потере работоспособности критичной к напряжению источника питания нагрузки. Например, устройство, построенное на микросхемах ТТЛ-логики, работоспособно при напряжении