Материал: Источники питания РЭА

Внимание! Если размещение файла нарушает Ваши авторские права, то обязательно сообщите нам

компенсационного стабилизатора. Это следует учитывать при выборе стабилитрона. Прежде всего необходимо обращать внимание на:

1) разброс значений напряжения стабилизации, который, в среднем составляет от 0,1 до 0,4 В;

2)температурный коффициент напряжения стабилизации;

3)допустимый диапазон изменения тока стабилизации.

 

+

РЭ

 

 

 

+

 

 

 

 

Iн

 

Iвх

Uупр

 

 

ИЭ

 

 

 

 

 

 

Uвх

 

∆U

Uвых

 

а

 

УПТ

Rн

 

СС

 

 

 

 

 

 

 

 

 

 

ИОН

Uоп

 

 

 

 

 

 

+

 

+

 

 

 

 

 

 

 

 

 

 

 

 

 

Uупр

 

ИЭ

 

 

Uвх

РЭ

УПТ

∆U

Uвых

Rн

 

б

 

 

 

СС

 

 

 

 

 

Uоп

 

 

 

 

 

 

 

 

 

 

 

ИОН

 

 

 

 

 

 

 

 

 

 

 

 

Рис.2.37.Структурные схемы компенсационных стабилизаторов. РЭ – Регулирующий элемент; УПТ – Усилитель постоянного тока; ИЭ – Измерительный элемент;

ИОН – Источник опорного напряжения;

СС– Схема сравнения;

Rн – Сопротивление нагрузки;

Rб – Балластный резистор.

Назначение схемы сравнения – определять отклонение выходного

напряжения (или его части) от заданного (опорного) напряжения Uоп и передавать это отклонение на схему УПТ по цепи обратной связи. Схема сравнения может быт выполнена на одном или нескольких транзисторах. В стабилизаторах напряжения ее обычно совмещают с УПТ (усилителем сигнала рассогласования) и источником опорного напряжения.

Измерительный элемент обычно представляет собой резистивный делитель напряжения подключенный к выходу стабилизатора. Основное требование к ИЭ – постоянство коэффициента деления. В цепи ИЭ может быть включен переменный или подстроечный резистор, что позволяет в определенных пределах изменять выходное напряжение.

УПТ в обычных стабилизаторах совмещается со СС. Для увеличения коэффициента стабилизации и уменьшения погрешностей, вызванных изменением температуры и разбросами параметров элементов применяют дифференциальные схемы УПТ. Еще более лучшими характеристиками обладают стабилизаторы с многокаскадными УПТ или УПТ, выполненными на операционных усилителях (ОУ).

В качестве регулирующего элемента используется один или несколько транзисторов включенных по схеме Дарлингтона. Коэффициент усиления по току РЭ определяется необходимым током нагрузки и мощностью УПТ. При токах нагрузки более 300 500 мА регулирующий транзистор устанавливается на тепроотвод (радиатор), геометрические параметры которого определяются, в основном, рассеиваемой мощностью РЭ и условиями теплообмена между радиатором и окружающей средой.

Изменение выходного напряжения (или его подрегулировка) в компенсационных стабилизаторах может осуществляться:

1) делителем выходного напряжения,

2)делителем опорного напряжения,

3)одновременным делением опорного и выходного напряжения.

Реализация компенсационных стабилизаторов на транзисторах.

Принципиальная схема простого компенсационного стабилизатора напряжения представлена на рис.2.38.

 

UКЭ1

VT1

 

 

 

 

 

 

 

 

 

 

UR1

R1

UБЭ1

 

 

 

Iб1

 

R3

Uвых

 

A

 

 

 

Iб1 + Iк2

 

 

 

Uвх

Iк2

R2

 

Rн

 

 

VT2

 

 

 

UКЭ2

UБЭ2

 

 

 

 

 

 

 

VD

UR4

R4

 

 

 

 

 

Uоп

 

 

+

 

 

 

 

Рис.2.38. Последовательный компенсационный стабилизатор на двух транзисторах

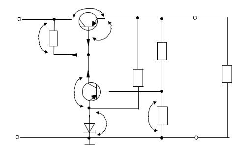
Регулирующим элементом является транзистор VT1 (Rк = RКЭ1). Резистор R2 со стабилитроном VD образуют параметрический стабилизатор напряжения (источник опорного напряжения). Резисторы R3 и R4 являются делителем выходного напряжения (ИЭ). На транзисторе VT2 выполнена схема сравнения и УПТ.

Потенциал точки А относительно земли UА зависит от входного на-

пряжения Uвх и состояния транзистора VT2 , переход коллектор-эмиттер, которого можно рассматривать как нижнее по схеме плечо делителя на-

пряжения Uвх – Uоп (верхнее плечо – резистор R1). Очевидно, что

Uвх = Uоп + UКЭ2 + UR1 и UА = Uвх UR1 = UКЭ2 + Uоп.

Учитывая, что транзистор VT1 включен по схеме повторителя напряжения (коллектор является общим электродом, а выходное напряжение снимается с эмиттера), и принимая во внимание малость

падения напряжения UБЭ1 по сравнению

с Uвых, можно

считать, что

Uвых ≈ UА. Следовательно задача стабилизации выходного напряжения

заключается в поддержании постоянной величины UА = Uвх

UR1.

Пусть под действием дестабилизирующих факторов напряжение на

нагрузке увеличилось.

Это приведет

к

возрастанию

напряжения

UБЭ2 = UR4 Uоп (UR4

увеличивается, а Uоп

= const), следствием чего

станет увеличение коллекторного тока транзистора VT2. В результате роста IК2 увеличивается падение напряжения на резисторе R1, потенциал точки А уменьшается, а следовательно, и выходное напряжение.

При уменьшении выходного напряжения уменьшается напряжение

UБЭ2 = UR4 Uоп. Сопротивление перехода коллектор–эмиттер VT2 увеличивается, а IК2 уменьшается, следствием чего становится уменьшение UR1= R1 (IК2 + IБ2). Потенциал точки А, а следовательно, и выходное напряжение увеличивается.

В символьной форме механизм стабилизации напряжения можно представить следующим образом:

Uвых ↑ → UR4 ↑ → (UБЭ2 = UR4 – Uоп)↑ → RКЭ2 ↓ → IК2 ↑ → [UR1 = R1(IК2 + IБ2) ] ↑ → UА ↓ → Uвых

Uвых ↓ → UR4 ↓ → (UБЭ2 = UR4 – Uоп)↓ → RКЭ2 ↑ → IК2 ↓ → [UR1 = R1(IК2 + IБ2) ] ↓ → UА ↑ → Uвых

Схема последовательного стабилизатора с дифференциальным УПТ представлена на рис.2.39. В этой схеме транзистор VT3 используется как обычный УПТ. На его базу подается часть выходного напряжения, снимаемого с резистора R4 делителя выходного напряжения, состоящего из резисторов R3 и R4. На эмиттер VT3 подается опорное напряжение, но не прямо со стабилитрона VD, а через эмиттерный повторитель на транзисторе VT2, в эмиттерную цепь которого включен резистор R5. Падение напряжения на этом резисторе и используется в качестве опорного.

VT1

 

 

R1

R2

R3

 

 

VT2

VT3

Uвх

 

Rн

 

Uоп

R4

 

R5

VD

 

 

+

 

 

Рис.2.39.Последовательный компенсирующий стабилизатор с дифференциальным УПТ.

Схема простого параллельного стабилизатора показана на рис.2.40.

 

R1

VD

 

 

 

 

 

VT1

 

R4

Uвх

VT2

Rн

 

 

 

R2

R3

+

Рис.2.40. Параллельный компенсационный стабилизатор.

Назначение элементов схемы (рис.2.40) аналогично рассмотренным выше компенсационным стабилизаторам последовательного типа. Регулирующим элементом является транзистор VT1, усилителя постоянного тока VT2. Измерительный элемент образован резисторами R3 и R4. Источником опорного напряжения является однокаскадный параметрический стабилизатор (элементы R2, VD).

Напряжение на базе VT2 равно разности между частью выходного напряжения, снимаемого с резисторов R3 и R4 и опорным напряжением. Ток

базы регулирующего транзистора VT1 протекает через переход коллектор – эмиттер VT2 и зависит от разности указанных выше напряжений.

При увеличении выходного напряжения под действием дестабилизирующих факторов транзистор VT2 открывается в большей степени, его коллекторный ток возрастает, что приводит к возрастанию тока коллектора VT1 и увеличению падения напряжения на резисторе R1. Последнее компенсирует увеличение выходного напряжения. При уменьшении выходного напряжения, напротив, транзисторы VT1 и VT2 в большей степени закрываются, что приводит к уменьшению падения напряжения на резисторе R1 и компенсации уменьшения выходного напряжения.

2.6 Защита транзисторных стабилизаторов от короткого замыкания в нагрузке

Короткое замыкание выхода является самым тяжелым режимом работы последовательного стабилизатора, так как в этом случае через регулирующий (проходной) транзистор протекает наибольший ток при

наибольшем падении напряжения на нем (Uкэ=Uвх). Для предотвращения повреждения стабилизатора применяют ряд схемотехнических решений. Рассмотрим некоторые из них.

Довольно часто используется метод ограничения выходного тока в случае короткого замыкания в нагрузке (рис. 2.41). Схема может быть использована как регулирующий транзистор практически в любом транзисторном стабилизаторе напряжения. Транзисторы VT2 и VT3, включенные по схеме Дарлингтона, образуют непосредственно сам регулирующий (проходной) транзистор. Элементы VT1 и R1 составляют схему защиты. Резистор R1 выполняет функцию датчика тока (напряжение на нем пропорционально току нагрузки). Падение напряжения на R1 приложено к переходу база-эмиттер транзистора VT1 и является прямым для этого перехода.

При допустимых токах нагрузки падение напряжения на R1 недостаточно для открывания транзистора VT1 (менее 0,6 В для кремниевого транзистора), и схема защиты на работу проходного транзистора не оказывает никакого влияния.

В случае увеличения значения выходного тока (более заданного уровня) падение напряжения на R1 достигает величины, достаточной для перевода VT1 в открытое состояние. При открывании транзистора схемы защиты его открытый переход коллектор-эмиттер шунтирует переход базаэмиттер составного регулирующего транзистора, ток базы которого значительно уменьшается, а следовательно, уменьшается и ток нагрузки.

Порог срабатывания защиты задается сопротивлением резистора R1. Если в качестве R1 использовать переменный резистор или набор дискретно переключаемых сопротивлений, можно в требуемых пределах из-