Материал: Исправления_СулимМА_7408_28.08.2020

Внимание! Если размещение файла нарушает Ваши авторские права, то обязательно сообщите нам

Исправления СУЛИМ М. А.

ТМВИ

Исходные данные:

  1. Определим углы, необходимые для поддержания постоянства напряжения на нагрузке при изменении напряжения питающей сети на .

Проверим полученные результаты, промоделировав их.

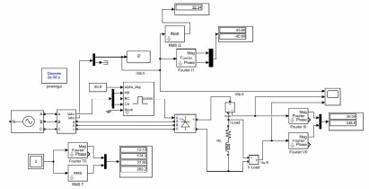
Увеличим напряжение сети на .

Рис.1 Результаты моделирования при увеличении напряжения сети.

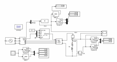
Уменьшим напряжение сети на .

Рис.2 Результаты моделирования при уменьшении напряжения сети.

Из рис.1-2 видно, что система поддерживает постоянство выпрямленного напряжения при изменении напряжения питающей сети и угла управления.

  1. Параметры выбранного в курсовом расчете трансформатора

Таблица 1

Тип

Номинальная

мощность, кВА

Uном , В

Потери,

Вт

Напряжение короткого

замыкания Uктр %

Ток холостого

хода, %

Схема и группа

соединения обмоток

Первичное,

U1 ном

Вторичное,

U2 ном

Холостой ход

при Uн ;  Pх.х.

Короткое замыкание

при Uн, ,Pк з.

ТС-25 У2

25

110

380

180

560

3

4.8

У/У0

По паспортным данным определим параметры трансформатора:

– коэффициент трансформации

Пересчитаем значения сопротивлений трансформатора:

– индуктивное сопротивление фазы трансформатора

– активное сопротивление фазы трансформатора R, приведенное к вторичной обмотке:

0.175 Ом;

– Полное сопротивление фазы трансформатора

  1. Построим ограничительную и входные характеристики ТМВИ до номинального тока.

Рис.3 Ограничительная и входные характеристики ТМВИ

  1. Гармонический состав напряжения на нагрузке.

В спектре напряжения на нагрузке будут присутствовать все номера гармоник в обоих режимах работы установки.

Общее выражение отношения амплитудного значения -й гармоники к среднему значению выпрямленного напряжения управляемого выпрямителя определяется по формуле

Для угла управления и

Результаты расчетов для разных углов управления приведены в таблице 2.

Таблица 2

Номер гармоники

Частота высших гармоник

Относительное содержание высших гармоник при заданных углах:

ν

1

300

29,40571

117,6375

130,585

139,6557

2

600

6,26995

56,8087

63,35484

67,92496

3

900

3,167318

37,62968

42,0029

45,05399

4

1200

1,787179

28,15882

31,44114

33,7306

5

1500

1,144271

22,5036

25,13035

26,96235

6

1800

0,794591

18,7424

20,93175

22,45861

7

2100

0,583722

16,05943

17,93623

19,24507

8

2400

0,446872

14,04889

15,69121

16,8365

9

2700

0,35306

12,48601

13,94592

14,96399

  1. Пересчитаем некоторые энергетические характеристики

Коэффициент мощности ТМВИ определяется следующим образом

Равному по модулю номинальному напряжению соответствуют равные друг другу углы α и β.

Коэффициент искажения тока первичной цепи:

Коэффициент мощности:

  1. Промоделируем работу схемы в обоих режимах работы (выпрямителя и инвертора). Построим графики, отражающие работу схемы в одном масштабе.

Моделирование ТМУВ

Графики мгновенных значений тока и напряжения тиристора, тока сети,

тока и напряжения на нагрузке представлены на рис.4-7, соответственно.

Рис.4 Графики мгновенных значений тока и напряжения тиристора для нулевого угла управления(α=0°).

Рис.5 Графики мгновенных значений тока сети, тока и напряжения нагрузки для нулевого угла управления (α=0°).

Рис.6 Графики мгновенных значений тока и напряжения тиристора для номинального угла управления (α=47°).

Рис.7 Графики мгновенных значений тока сети, тока и напряжения нагрузки для номинального угла управления (α=47°).

Моделирование ТМВИ

Графики мгновенных значений тока и напряжения тиристора, тока сети, тока и напряжения на нагрузке представлены на рис.8-9, соответственно.

Рис.8 Графики мгновенных значений тока и напряжения тиристора для номинального угла опережения (β=47°).

Рис.9 Графики мгновенных значений тока сети, тока и напряжения нагрузки для номинального угла опережения (β=47°).

  1. Построим внешние характеристики ТМУВ с учетом того, что номинальный угол управления больше, чем .

Рис. 10 Внешние характеристики ТМУВ