Введение
автогрейдер производительность кинематический
В настоящее время ни одно строительство не обходится без земляных работ и машин выполняющих эти работы (кусторезы, бульдозеры, рыхлители, экскаваторы, скреперы и т.д.). Рост темпов, объёмов строительства, усложнения конструкции возводимых сооружений, только увеличил интерес и потребность в машинах для земляных работ.
На сегодняшний день их производством занимается немало компаний с мировыми именами. Некоторые из них используют свои собственные оригинальные разработки и создают конструктивные особенности этих машин, но в целом принципы их устройства и сферы применения являются одинаковыми.
Так как парк машин для земляных
работ очень велик и разнообразен, как по функциям, так и по устройству
конструкции машин в данном курсовом проекте рассмотрим одну из машин данного
класса, а именно автогрейдер марки ДЗ-143. Так как автогрейдеры оснащают
различным сменным дополнительным оборудованием (до 20 видов) область применения
их очень широка. Автогрейдер является одной из распространённых и
востребованных машин, что доказывает актуальность данного курсового проекта.
1. Конструктивные
особенности и работа автогрейдера ДЗ-143
1.1 Назначение автогрейдера ДЗ-143 [3]
Основным назначением автогрейдера
ДЗ-143 является профилирование земляного полотна, строительство грунтовых дорог
на нулевых отметках или на насыпях, воздвигаемых из грунта кюветов, планировка
грунтовых поверхностей. Автогрейдер может быть использован для киркования (рис.
1.1 а) грунта и изношенного полотна дорог, а также для перемешивания грунтов с
добавками и вяжущими материалами на полотне дороги. Все рабочие операции
автогрейдеры осуществляют при продольных проходах машин с помощью основного
рабочего оборудования - отвала с различными приспособлениями (уширителем,
удлинителем, откосником, кювето-очистителем) и навесного оборудования
(бульдозерного отвала, рыхлителя (рис. 1.1 б), снегоочистителя, смесителя и
пр.)

а) б)
Рисунок 1.1 - навесное оборудование автогрейдера
а) рыхлитель; б) кирковщик
.2 Состав автогрейдера ДЗ-143 [1,2,3]
Автогрейдер ДЗ-143 представляет
собой самоходную колесную землеройно-транспортную машину с отвальным рабочим
органом.
Рисунок 1.2 - автогрейдер ДЗ-143 вид
сбоку
Автогрейдер ДЗ-143 состоит из следующих основных частей:
Длинной и выгнутой в средней части основной рамы 1, служащей для установки на ней всех механизмов автогрейдера и опирающейся сзади на заднюю тележку 10, снабжённую балансирами с ведущими колёсами 8, а спереди на переднюю ось 4 с управляемыми колёсами; двигателя 14, закреплённого сверху рамы над задней тележкой; трансмиссии, передающей вращение от двигателя к ведущим колёсам, гидронасосам и пр.; грейдерного отвала 7, расположенного в пространстве под выгнутой узкой в плане частью рамы, называемой хребтовой балкой, на специальной тяговой раме 6, закреплённого с помощью сферического шарнира на концевой части хребтовой балки над передней осью и двух гидроцилиндров подъёма отвала 2, установленных на кронштейнах с двух сторон хребтовой балки в её самой приподнятой части; кабины 11 с органами и пультом управления и сиденьем машиниста; отвала бульдозера 5, гидроцилиндра 12 для их привода; капота 9 с откидными стенками, закрывающего двигатель; электросистемы сигнализации и освещения13.
При такой компоновке создаётся
полезная нагрузка на ведущие колёса и, кроме того, из кабины машиниста
открывается достаточно хороший обзор по ходу машины и на всю зону расположения
отвала, что позволяет машинисту автогрейдера непосредственно наблюдать за самим
процессом обработки грунта на дороге при любых положениях отвала в
пространстве.
Таблица 1.1. Техническая
характеристика автогрейдера ДЗ-143
Класс
140
Эксплуатационная масса, кг
13500
Двигатель
Д-260.2
Мощность, кВт (л. с.)
95,6 (130)
Коробка передач
гидромеханическая
Число передач: вперед / назад
4/2
Максимальная скорость, км/ч
42
Колесная схема
1х2х3
Радиус поворота, м
12,5
Тип рамы
жесткая
Размер шин, дюйм
14,00-20
изготовитель
«Брянский завод дорожных машин»
Грейдерный отвал
длина, мм
3740
высота, мм
620
угол резанья, град
30-70
угол наклона, град
0-90
угол захвата, град
полноповоротный
заглубление, мм
250
боковой вынос, мм
800
Бульдозерный отвал
длина, мм
2475
высота, мм
840
К конструктивным особенностям
автогрейдера можно отнести изогнутую форму основной рамы, в изгибе которой
расположен отвал (рис. 1.3.а) устанавливающийся с различными углами в
горизонтальной и вертикальной плоскостях, а так же балансирную заднюю подвеску
для лучшего вписывания в неровности и увеличения сцепления колес с поверхностью
(рис. 1.3.б). С целью повышения поперечной устойчивости на наклонных
поверхностях на автогрейдере предусмотрен наклон передних колёс, осуществляемый
с помощью специального механизма (рис. 1.3.в). Благодаря наклону передние
колёса всегда занимают вертикальное положение на уклонах, поэтому машина более
устойчива к поперечному опрокидыванию. а)
б) в)
Рисунок 1.3 - конструктивные
особенности автогрейдера Благодаря размещению рабочего
органа-отвала приблизительно посередине колесной базы и балансирной подвеске
задних колес вертикальные перемещения режущей кромки при преодолении колесами
неровностей существенно меньше высоты неровностей, что обеспечивает после
каждого прохода автогрейдера выравнивание поверхности грунта (рис. 1.4).
Рисунок 1.4 - Схема работы
автогрейдера
1.3 Установка силовая
[4]
В качестве силовой установки на
автогрейдер ДЗ-143 установлен дизельный двигатель Д-260.2.
Двигатель рассчитан на эксплуатацию при температуре окружающего воздуха от -45
до +40°С. Конструкция двигателя рассчитана на длительную работу без
капитального ремонта при условии соблюдения правил эксплуатации, хранения и
своевременного технического обслуживания.
- форсунка; 2 - головка цилиндров; 3
- стартер; 4 - маховик; 5 - картер масляный; 6 - пробка; 7 - блок цилиндров; 8
- фильтр топливный тонкой очистки; 9 - топливный насос высокого давления; 10
- топливный насос; 11 - турбокомпрессор; 12 - вентилятор; 13 -
генератор; 14 - фильтр масляный центробежный; 15-фильтр очистки масла;
16-фильтр грубой очистки топлива; 17-масломерный щуп; 18-заливная
горловина
Рисунок 1.5 - общий вид двигателя Д-260. 2
Таблица 1.2 - основные параметры и
характеристики двигателя Д-260.2
Наименование параметров
Единица измерения
Значения
Тип дизеля
Четырехтактный дизель с турбонаддувом
Способ смесеобразования
Непосредственный впрыск топлива
Число цилиндров
шт.
6
Расположение цилиндров
Вертикальное, рядное
Рабочий объем цилиндров
л
7.12
Порядок работы цилиндров
1-5-3-6-2-4
Направление вращения коленчатого вала (со стороны вентилятора)
по часовой стрелке
Диаметр цилиндра
мм
110
Ход поршня
мм
125
Степень сжатия (расчетная)
15 + 1
Допустимые углы наклона при работе: продольный, поперечный
град.
20, 20
Мощность номинальная
кВт
95.6
Мощность эксплуатационная
кВт
90,4
Номинальная частота вращения
мин-1
2100
Минимальная устойчивая частота вращения холостого хода
мин-1
800±50
Максимальная частота вращения холостого хода, ограничиваемая
регулятором
мин-1
2275
Частота вращения при максимальном значении крутящего момента
мин-1
1400
Максимальный крутящий момент
Нм
500
Удельный расход топлива при номинальной мощности
г/кВтч
226
Удельный расход топлива при эксплуатационной мощности
г/кВтч
233
Давление масла в главной магистрали при: номинальной частоте
вращения минимальной частоте вращения
МПа
0.28…0.45 0.1
Масса, не заправленного горючесмазочными материалами и
охлаждающей жидкостью 650
Рисунок 1.6 - продольный
разрез двигателя Д-260.2:
- масляный картер; 2 -
масляный насос; 3 - демпфер; 4 - шкив коленчатого вала; 5 - ремень вентилятора;
6 - крышка распределения; 7 - шкив натяжной; 8 - форсунка для охлаждения
поршня; 9 - вентилятор; 10 - водяной насос; 11 - корпус термостатов; 12 -
шатун; 13 - поршень; 14 - гильза цилиндров; 15 - колпак; 16 крышка головки
цилиндров; 17 - головка цилиндров; 18 - блок цилиндров; 19 - задний лист; 20 -
маховик; 21 - коленчатый вал; 22 - маслоприемник; 23 - распределительный вал
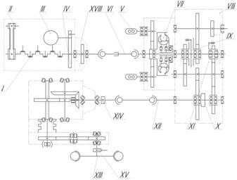
1.4 Кинематическая схема
автогрейдера ДЗ-143
Рисунок 1.7 -
кинематическая схема автогрейдера ДЗ-143
I
- двигатель Д-260.2; II
- шкив привода вентилятора; III
- стартер двигателя; IV
- привод маховика; V - насос; VI - вал карданный верхний; VII
- гидротрансформатор; VIII
- коробка гидромеханическая; IX,
XI - муфта фрикционная дисковая; X
- муфта зубчатая; XII - вал карданный
нижний; XIII - колесо с шиной; XIV
- тормоз стояночный; XV
- тормоз колесный; XVI - балансир; XVII - передача главная; XVIII
- муфта сцепления.
.5 Рабочий цикл
автогрейдера ДЗ-143 [2]
Процесс работы
автогрейдера состоит из последовательных проходов, при которых осуществляется
резание грунта, его перемещение, разравнивание и планировка поверхности
сооружения.
При разработке
грунта отвал устанавливают режущей кромкой, как параллельно
его поверхности, так и наклонно под углом 10… 15o с заглублением отвала
или только его части по ширине. Угол резания составляет от 35o до 45o соответственно при
разработке тяжелых и легких грунтов. При зарезании отвала в грунт одним концом
угол между режущей кромкой отвала и продольной осью машины (угол захвата)
принимают равным 35…50°, при отделочных планировочных работах - 45… 90°, при
копании с отводом грунта в сторону по отвалу - 60°.
В зависимости от
размеров обрабатываемого участка, рельефа местности, наличия искусственных
сооружений земляные работы с использованием автогрейдера ДЗ-143 выполняют движением по круговым и челночным технологическим
схемам. Так, при длине обрабатываемого участка (захватки) 400… 1500 м автогрейдер движутся по круговым технологическим схемам, а при
меньших длинах - челночным способом - движением в одном направлении вперед, в
обратном - задним ходом. При этом в случае очень коротких захваток (около 150 м) грунт разрабатывают только движением вперед, после чего
возвращают машину на исходную позицию следующей проходки вхолостую задним ходом
на повышенной скорости. При больших длинах захваток грунт разрабатывают как
передним, так и задним ходом с разворотом отвала на 180° в плане на концах
захватки.
2.
Технико-эксплуатационные показатели автогрейдера ДЗ-143
Основными технико-эксплуатационными
показателями автогрейдера являются тяговомощностные показатели и показатели
производительности, расчет которых мы и произведем в рамках данного курсового
проекта.
Условия расчета:
Для разработки несвязной
горной породы типа легкого суглинка, перемещения ее на расстояние l2=40 м и послойной укладки на участке l3=15
м для горизонтального участка, если, набор горной породы происходит на длине
пути резания l1=10 м, когда пути резания, перемещения и укладки горной породы
лежат на одной прямой, а условия работы позволяют применить скорости,
соответствующие I передаче при резании, II - при транспортировании и укладке, и наибольшую скорость при
возвращении. Рисунок 2.1 - расчетная
схема
2.1 Тяговый расчет
[2,5,6]
Таблица 2.1 -
коэффициенты f и φ
Вид опорной поверхности
Шинноколесный движитель
шины высокого давления
шины низкого давления
f
φ
f
φ
Грунт:
рыхлый свежеотсыпанный
0,2…0,3
0,3… 0,4
0,1…0,2
0,4…0,6
слежавшийся уплотненный
0,1…0,2
0,4… 0,6
0,1…0,15
0,5…0,7
Талица 2.2 - значения коэффициентов k (при α = 45…60°) и kn
Категория грунта
k,
кг/м2
Грунты
kn
I
7000
связные
0,025…0,032
II
11000
несвязные
0,06…0,07
III
17000
-
-
Таблица 2.3 - величины необходимые
для расчета
G, кH
Рх, кВт
ηх
пд, б/мин.
и
λ,
м
δ
135
95,6
0,73…0,76
1575…1800
0,98
Плотный грунт 0,1
0,2
0,3
0,12… 0,15
0,08… 0,1
Установлено, что
при δ = 0,1 колесный
движитель работает с максимальным КПД, при δ = 0,2 достигается максимальная тяговая мощность, при δ = 0,3 развивается
наибольшая устойчивая сила тяги.
Движение машины возможно, если
максимальное тяговое усилие Тmах (Н) будет не меньше
суммарного сопротивления движению W(Н):
Тmах ≥ W.
Усилие Тmах ограничено двумя факторами - мощностью привода ходового
устройства и условиями сцепления движителя с опорным основанием, с которыми оно
связано зависимостями:
Тmах(Рх) = 1000 Рх
ηх / v; Тmах(φ) = G φ
где Рх -
суммарная мощность двигателей механизма передвижения (табл. 1.2) (Вт);
ηх - общий КПД механизма
передвижения (табл. 2.3);
φ - коэффициент сцепления движителя с основанием (табл. 2.1).
v - скорость передвижения (м/с);
Для шинноколесных
движителей v - теоретическая скорость (м/с):
v
= где rc - силовой радиус, м;
пд -
номинальная частота вращения вала двигателя ходового механизма (об/мин); и -
передаточное число трансмиссии.
Силовой радиус
определяется как радиус недеформированного колеса rо за вычетом наибольшей радиальной деформации шины (в центральной
зоне контактной поверхности) λ (м):
rc = rо - λВ.
Приближенно при
движении по плотному грунту λ = (0,12…0,15) В; по рыхлому грунту - λ = (0,08…0,1) В
(В-ширина профиля шины).
Фактическую
скорость передвижения шинноколесной машины определяют с учетом буксования по
формуле (м/с):
vф = v (1 - δ),
где δ - коэффициент
буксования.
Совместив
необходимые формулы, рассчитываем vф:
Полученное чначение соответствует I передаче
автогрейдера (табл. 2.6).
Имея необходимые
показатели рассчитываем усилие (Тmах(Рх))
мощности привода ходового устройства и усилие (Тmах(φ))
сцепления движителя с опорным основанием;
Для дальнейших расчетов
берем меньшее из полученных значений.
Сопротивление
передвижению W (Н) складывается из сопротивлений на рабочем органе машины Wp (Н), передвижению (перекатыванию)
движителей Wпep
(H) по горизонтальному пути, повороту машины Wnoв
(H), движению на уклоне местности Wу
(Н), инерции при разгоне и торможении Wи
(H) и ветрового давления WB
(H):
W = Wp + Wпep + Wnoв ± Wу ± Wи + WB
Из этого набора
сопротивлений удерживаются только те сопротивления, которые имеют место в
конкретном транспортном режиме работы машины.
Сопротивление
повороту колесных машин, (рыхлый грунт);
Wnoв = (0,25… 0,5) Wпep
Сопротивление
движению от уклона местности;
Wу = ± тgsinα
где т - масса машины,
кг;
g - ускорение свободного падения, g = 9,81 м/с2;
α - угол подъема пути машины, (+) на подъем, (-) под уклон.
Сопротивление сил
инерции при разгоне и торможении:
Wи = ± m v / tр(т),
где v - скорость в конце разгона или
начале торможения (м/с):
tр(т) - продолжительность
разгона (торможения) (с).
Сопротивление
ветрового давления:
WB = S qB
где S - площадь, воспринимающая давление
ветра (м2);
qB =125 - 500 - распределенная ветровая нагрузка на 1 м2
(Па).
Сопротивления Wnoв, Wу, WB и Wи в данном тяговом расчете не учитываются, так как по условию
участок горизонтальный, автогрейдер движется с равномерной скоростью, а
разворот совершается после выполнения операций (резание, транспортировании,
укладке), а сопротивление ветрового давления незначительно при данной скорости.
Сопротивление
резанью:
где k - коэффициент сопротивления резанью (табл. 2.2);
В-ширина отвала (м);
h1
- глубина резания во время перемещения призмы грунта (м2).
где kn - коэффициент потерь грунта при
перемещении (табл. 2.2)
Vпр
- объем призмы волочения(м3).
Вычисляем объем призмы волочения;
Вычисляем глубину
резания во время перемещения призмы грунта;
Вычислив необходимые
величины находим сопротивление резанью;
Сопротивление перекатыванию:
Wпep ≈
fG,
где f - коэффициент сопротивления передвижению движителей (табл. 2.1);
G
- вертикальная составляющая внешней нагрузки на движители (Н) (табл. 2.2).
Подставив значения
необходимых усилий находим сопротивление перемещению W
(H); Проверяем соответствие
условию Тmах ≥ W:
Условие соблюдено,
тяговые характеристики автогрейдера подходят для работы в заданных условиях.
Неудовлетворение указанному выше условию по тяговому усилию Тmах(Рх) означает недостаток мощности для движения машины с
заданной скоростью v. Если то же условие не
удовлетворяется по усилию Тmах(φ),
то это означает, что машина не может двигаться из-за буксования движителей.
2.2 Расчет производительности
автогрейдера [6]
Производительность является
важнейшей выходной характеристикой машины. Ее определяют количеством продукции,
произведенной машиной в единицу времени. Различают расчетную (теоретическая или
конструктивная), техническую и эксплуатационную производительность. Под
расчетной (теоретической, конструктивной) производительностью понимают
производительность за 1 ч непрерывной работы при расчетных скоростях рабочих
движений, расчетных нагрузках на рабочем органе и расчетных условиях работы. Теоретическую
производительность рассчитывают на стадии разработки конструкторской
документации на машину, используя для этого нормативные значения расчетных
параметров и расчетных условий. Под технической производительностью понимают
максимально возможную в данных производственных условиях производительность при
непрерывной работе машины. Под эксплуатационной производительностью понимают
фактическую производительность машины в данных производственных условиях с
учетом ее простоев и неполного использования ее технологических возможностей.
Таблица 2.4 - Средние значения
коэффициента разрыхления kp
Категория породы по трудности разработки
Разновидность горной породы
kp
I
Песок, супесок, растительный грунт, торф
1,05…1,12
II
Легкий и лессовидный суглинок, влажный рыхлый лёсс, мягкий
солончак, гравий мелкий и средний, песок, супесок и растительный грунт,
смешанные со щебнем и галькой, насыпной слежавшийся грунт с примесью щебня
или гальки
1,12…. 1,20
III
Жирная мягкая глина, тяжелый суглинок, гравий крупный, галька
мелкая, щебень крупностью 15…40 мм, суглинок со щебнем пли галькой
1,20…1,25
Таблица 2.5 - Коэффициент призмы kпр
Грунты
Значение kпр при отношении H/B
0,15
0,3
0,45
Связные
0,75
0,78
0,85
Несвязные
1,15
1,20
1,50
Таблица 2.6 - Параметры автогрейдера
ДЗ-143
Скорости движения, м/с
Ширина отвала, мм
Высота отвала, мм
uI
uII
uIII
uIV
umax
В
Н
1,9
3,5
6,4
11,7
11,7
3740
620
Производительность определяем по
формуле (м3/ч):
П = 3600Vпp × ky × kи /(tцkp),
где Vпp - объем грунта в
разрыхленном состоянии (объем призмы волочения), находящийся перед отвалом в
конце транспортирования, м3;
tц - продолжительность
цикла, с;
ky - коэффициент уклона (kу=1, так как участок
горизонтальный);
kи - коэффициент
использования автогрейдера во времени(kи =0,85);
kp - коэффициент разрыхления грунта, т.е. отношение объема
разрыхленного грунта к объему грунта такой же массы в естественно плотном
состоянии (kp =1,085 табл. 2.4).
Объем призмы волочения (м3):
V'пр = BH2/(2kпр),
где В и Н - ширина и высота отвала,
м (табл.);
kпр - коэффициент призмы,
установленный экспериментально и зависящий от свойств грунта и соотношения
размеров отвала (табл. 2.5).
kпр = V'пр = Продолжительность цикла (с):
tц = l1/u1 + l2/u2 + l3/u3 + l4/u4 + nпtп + nоtо + nповtпов,
где l1, l2, l3, l4 - длины пути резания,
перемещения, укладки грунта и обратного хода, м;
l4= l1+ l2+ l3=10+40+15=65 м
u1=1,9, u2=u3=3,5, u4=uмах=11,7 - скорости движения на соответствующих участках пути, м/с
(табл. 2.6);
tп - время на переключение
передач (tп ≈2,5с);
tо - время опускания и
подъема отвала (tо ≈ 4,5с); nп=3, nо=5, nпов=2 - соответственно
количество переключений передач, подъемов и опусканий отвала и разворотов на
180°.
tц= П = 3600Vпp × ky × kи /(tцkp)= 3. Техника безопасности
при эксплуатации автогрейдера
· К работе на
автогрейдере допускается машинист, имеющий соответствующее удостоверение.
· Работать на
неисправном автогрейдере запрещается. Перед выездом на работу машинист обязан
осмотреть автогрейдер и устранить все обнаруженные неисправности. При осмотре
автогрейдера двигатель должен быть заглушён.
· При движении
автогрейдера машинист обязан соблюдать все правила дорожного движения,
установленные для автотранспорта.
· Снятие или
установку сменного дополнительного оборудования, а также другие тяжёлые работы
должны выполнять двое рабочих.
· Электроосвещение,
установленное на автогрейдере, должно обеспечивать хорошую видимость движения и
каждого рабочего органа во время работы.
Запрещается:
· оставлять без
присмотра автогрейдер при работающем двигателе;
· регулировать,
исправлять и смазывать автогрейдер на ходу или при работающем двигателе;
· останавливать
автогрейдер на уклонах;
· находиться под
рамой автогрейдера при поднятом отвале;
· во время работы
автогрейдера удалять из-под ножа случайно попавшие предметы.
· Техническое
обслуживание и ремонт автогрейдера следует проводить только после полной
остановки двигателя.
· Техническое
обслуживание проводится по истечении установленного срока эксплуатации.
Заключение
В данном курсовом проекте рассмотрен
автогрейдер марки ДЗ-143, его конструктивные особенности, особенности работы,
основные составные части конструкции. Так же представлены основные
характеристики и общее устройство силовой установки, кинематическая схема
машины, описание рабочего цикла автогрейдера.
Произведен расчет наиболее важных
технико - эксплуатационных показателей автогрейдера в условиях разработки
несвязной горной породы II категории, с последующим ее перемещением и послойной укладкой на
горизонтальном участке. Расчитанны - мощность привода ходового устройства,
равная 79667 кН, усилие сцепления движетеля с опорным основанием, равное 67,5
кН, произведен расчет производительности автогрейдера, равной 34,6 м3/ч,
дающий представление о возможностях машины.
Представлена техника безопасности
при эксплуатации автогрейдера.
Список используемой
литературы
1 Абрамов Н.Н. «Курсовое и дипломное проектирование по
дорожно-строительным машинам», «Высшая школа» - 1972 г., - 119 с. [1]
2 Алексеева Т.В., Артемьев К.А., Бромберт Л.А. «Дорожные
машины. Часть I. Машины для земляных работ», «Машиностроение» - 1972 г., - 499 с.
[2]
3 Белецкий Б.Ф., Булгакова И.Г. «Строительные машины и
оборудование», «Феникс» - 2005, - 606 с. [3]
4 Гуменников Л.Л., Жарнов В.М., Самущенко Л.А., Сиротина
Л.А. - «Дизель Д-260.1 и его модификации», ОАО «Амкодор» 2008 г., - 66 с. [4]
5 Ляшенко Ю.М. «Методические указания к курсовому проекту
6 по дисциплине: Машины для земляных работ», ШИ (ф) ЮРГТУ
(НПИ) - ЮРГТУ, 2010. - 19 с. [5]
Ляшенко Ю.М. «Методические указания к выполнению
практических занятий и домашнего задания», ШИ (ф) ЮРГТУ
(НПИ) - ЮРГТУ, 2010. - 72 с. [6]

,
≈81,5 с,
34,6 м3/ч