Материал: 1. Пассивные компоненты электронных устройств

Внимание! Если размещение файла нарушает Ваши авторские права, то обязательно сообщите нам

1. Пассивные компоненты электронных устройств

1.1. Резисторы. Резисторы R, условное обозначение которых показано на рис. 1.1, используются в электрических цепях для обеспечения требуемого распределения токов и напряжений между отдельными участками цепи.

Если к резистору приложить напряжение , то ток , сопротивление резистора и выделяемая на нём мощность определяются следующими соотношениями:

; ; ;

Основу резистора составляет резистивный элемент, выполненный из материалов, обладающих электронным типом проводимости.

Если к резистору приложено напряжение 1В и через него протекает ток 1А, то сопротивление резистора равно 1 Ом.

При последовательном и параллельном соединении n резисторов их общие сопротивления соответственно равны:

По постоянству значения сопротивления резисторы различают на:

постоянные - с фиксированным сопротивлением;

переменные - с изменяющимся сопротивлением;

специальные - сопротивление зависит от действия внешних факторов.

К специальным резисторам относятся:

варисторы - сопротивление зависит от напряженности электрического поля;

терморезисторы - сопротивление зависит от температуры;

фоторезисторы - сопротивление зависит от освещения резистора;

магниторезисторы - сопротивление зависит от магнитного поля.

В зависимости от вида проводящего резистивного элемента резисторы бывают проволочные и непроволочные. Наибольшее применение нашли непроволочные резисторы.

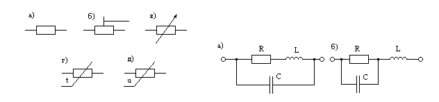
Резистор наряду с активным сопротивлением обладает эквивалентной емкостью и индуктивностью (рис. 1.2).

Рис.1.1. Условное обозначение резисторов: Рис.1.2. Эквивалентные схемы резисторов

а – постоянные, б – подстроечные,

в – переменные, г – терморезисторы,

д - варисторы

Основные характеристики резисторов.

Стабильность сопротивления резисторов во времени характеризуется коэффициентом старения

, (1.1)

где - время; - сопротивление резистора непосредственно после изготовления. Коэффициент старения резисторов существенно изменяется от партии к партии. Поэтому в технических условиях указывают коэффициент значительно меньший, чем у большей части резисторов.

Номинальная мощность рассеивания указывает, какую максимальную мощность может рассеивать резистор в течение длительного времени при заданной стабильности сопротивления. Она определяется размерами резистора, конструкцией и свойствами резистивного слоя. Номинальная мощность рассеивания резистора обозначается на электрических схемах знаками, помещенными внутри условного графического обозначения резистора (рис. 1.3).

Рис.1.3. Условное обозначение резисторов различной номинальной мощности

Собственные шумы резистора имеют две составляющие: тепловую и токовую. Тепловые шумы появляются вследствие тепловых движений электронов в резистивном слое. Напряжение теплового шума определяется по формуле

, (1.2)

где - постоянная Больцмана ( = 1,38*10-23 Дж/К); - абсолютная температура, К; - сопротивление, Ом; - полоса частот, Гц, в которой измеряется тепловой шум.

Токовые шумы обусловлены дискретной структурой резистивного слоя. Напряжение токового шума определяется через величину номинальной мощности, рассеиваемой резистором:

, (1.3)

где - коэффициент, зависящий от конструкции резистора, свойств резистивного слоя, полосы частот.

В электрической цепи, содержащей несколько резисторов, напряжение суммарного шума определяется уравнением:

, (1.4)

где – количество резисторов.

Стабильность сопротивления резисторов при действии температуры характеризуется температурным коэффициентом сопротивления:

, (1.5)

где - температура; - сопротивление при номинальной температуре.

Номиналы резисторов.

Резисторы изготавливаются разных номиналов, которые в соответствии с рекомендациями МЭК (Международной электротехнической комиссии) стандартизованы. Согласно ГОСТ 2825-67, установлено шесть рядов номиналов сопротивлений: Е6, Е12, Е24, Е48, Е96, Е192. В условном обозначении указывается число номинальных значений в данном ряду.

Действительные значения сопротивлений резисторов вследствие погрешностей изготовления могут отличаться от номинальных. Разница между номинальным и действительным сопротивлениями, выраженная в процентах по отношению к номинальному сопротивлению, называется допуском. Деление резисторов по величине допусков сопротивления приведено в табл. 1.1.

Таблица 1.1 Допустимые отклонения сопротивлений

Допустимое отклонение, %

0,001

0,002

0,005

0,01

0,02

0,05

0,1

0,25

0,5

1

2

5

10

20

50

Кодированное обозначение

Е

L

R

P

U

X

B

C

D

F

G

J

K

M

N

Условное обозначение резисторов.

Условное обозначение резисторов состоит из следующих элементов:

первый элемент - буква или сочетание букв, обозначающие подкласс резисторов (Р - резисторы постоянные; РП - резисторы переменные, НР - набор резисторов);

второй элемент - цифра, обозначающая группу резисторов по материалу резистивного элемента (1 - непроволочные; 2 - проволочные или металлофольговые);

третий элемент - регистрационный номер конкретного типа резистора.

Например, постоянные непроволочные резисторы с номером 4 и переменные непроволочные резисторы с номером 46 обозначают Р1-4 и РП1-46.

Для постоянных резисторов указываются номинальная мощность рассеивания, номинальное сопротивление и буквенное обозначение единицы измерения (Ом, кОм, МОм, ГОм, ТОм), допускаемое отклонение сопротивления в процентах, группа по уровню шумов, группа по температурному коэффициенту сопротивления ТКС.

Для резисторов переменных - номинальная мощность рассеивания, номинальное сопротивление и буквенное обозначение единицы измерения (Ом, кОм, МОм), допустимое отклонение сопротивления в процентах, обозначение конца вала и длины вала.

Например: Р1-4-0.5-51 кОм ±1% А-Б-В-ОЖО 467.157 ТУ;

РП1-46а-0,5-1 кОм ±20% ВС-2 ОЖО 468...ТУ.

Маркировка резисторов содержит полное или кодированное обозначение номинальных сопротивлений и их допусков.

Полное обозначение номинальных сопротивлений состоит из значения номинального сопротивления и обозначения единицы измерения (Ом, кОм, МОм, ГОм, ТОм). Например: 150 Ом, 330 кОм, 2,2 МОм, 6,8 ГОм, 1 ТОм.

Кодированное обозначение состоит из трех или четырех знаков, включающих две или три цифры и букву. Буква кода из русского или латинского (в скобках) алфавита означает множитель, составляющий сопротивление, и определяет положение запятой десятичного знака. Буквы R, К, М, G, Т обозначают соответственно множители 1, 103, 106, 109, 1012 для сопротивлений, выраженных в омах. Для приведенного выше примера следует писать 150, 330 К, 2М2, 6G8, 1T0).

Специальные резисторы.

К специальным резисторам относятся варисторы, терморезисторы, фоторезисторы, магниторезисторы, позисторы.

У варисторов сопротивление изменяется с изменением приложенного напряжения. Они используются как стабилизаторы и ограничители напряжения.

Варисторы, имеющие участок с отрицательным дифференциальным сопротивлением на вольтамперной характеристике, называют негисторами. Варисторы изготавливаются на рабочее напряжение 15...25*103 В, токи 0,05...10 мА и мощности 0,8...3 Вт.

Варисторы характеризуются следующими параметрами:

классификационное напряжение - условный параметр, показывающий значение постоянного напряжения, при котором через варистор протекает заданный классификационный ток .

классификационный ток - это ток, при котором определяется классификационное напряжение.

температурный коэффициент тока - относительное изменение тока, протекающего через варистор, при изменении температуры окружающей среды на 1 °С при постоянном напряжении.

температурный коэффициент напряжения - относительное изменение напряжения, приложенного к варистору, при изменении температуры окружающей среды на 1 °С при неизменном токе, протекающем через варистор.

номинальная мощность рассеяния - наибольшая мощность, которую варистор может рассеивать в течение срока службы при сохранении параметров в установленных пределах.

В обозначении варисторов буквы СН обозначают сопротивление нелинейное, цифры - шифр материала и тип конструкции. Например: СН1-8.

К терморезисторам относятся резисторы, сопротивление которых меняется с изменением температуры. Они выполняются или из металла, сопротивление которого линейно меняется с изменением температуры, или на основе полупроводников.

Терморезисторы используются в схемах для термостабилизации электронных цепей, компенсации температурных погрешностей, в измерителях температуры. Примерами обозначения терморезисторов являются: КМТ-1; КМТ-8; СТ9-1А; СТЗ-23; ТР-1; ТР-2; ТР-4.

Параметрами терморезисторов являются:

номинальное сопротивление - сопротивление, измеренное при комнатной температуре (20 °С) и указанное в нормативной документации.

температурный коэффициент сопротивления указывает изменение сопротивления при изменении температуры на один градус:

. (1.6)

максимальная допустимая мощность рассеяния - наибольшая мощность, которую длительное время может рассеивать резистор, не вызывая необратимых изменений характеристик.

коэффициент температурной чувствительности определяет характер температурной зависимости резистора, зависит от физических свойств полупроводникового материала.

постоянная времени характеризует тепловую инерционность резистора. Она равна времени, в течение которого температура терморезистора изменяется в е раз (на 63%) при переносе его из воздушной среды с температурой 0 °С в воздушную среду с температурой 100 °С. Значения постоянной времени изменяются в пределах от десятых долей секунды до нескольких минут.

Магниторезисторы - полупроводниковые резисторы с резко выраженной зависимостью электрического сопротивления от магнитного поля. Действие их основано на использовании магниторезистивного эффекта, который заключается в изменении сопротивления резистора при внесении его в магнитное поле. Регулируя напряженность управляющего магнитного поля или перемещая резистор в поле постоянного магнита, можно управлять сопротивлением. Их используют в регуляторах громкости высококачественной радиоаппаратуры, в качестве датчиков угла поворота в устройствах автоматики.

Примерами обозначения магниторезисторов являются МR-1, МR-2, СМ1-1.

Позисторы - это терморезисторы с большой величиной положительного температурного коэффициента сопротивления (ПТКС).

Сопротивление позистора в отличие от обычного терморезистора определяется не только его температурой, но и величиной приложенного к нему напряжения.

Позисторы характеризуются теми же основными параметрами, что и обычные терморезисторы, кроме того, для них часто указывают положение интервала ПТКС на температурной шкале, величину максимального ТКС в %, кратность изменения сопротивления R в области ПТКС и так называемую температуру переключения, при которой сопротивление позистора увеличивается по сравнению с минимальным значением в заданное число раз.