Uвх |
|
|
|
|
|
|
|
|
|
Uвых = |
|
|
|
СТ |
|
|
БВ |
|
|
Ф |
|||
|
|
|
|
|
|||||||
Сеть тока |
|
|
|
|
|
|
|
|
|
|
|
|
|
|
|
|
|
|
|
|
|
||
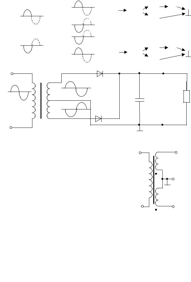
Рис.2.8. Структурная схема неуправляемого выпрямителя СТ – силовой трансформатор; БВ – блок выпрямителя; Ф – фильтр.
Основные схемы выпрямителей. В зависимости от числа фаз пи-
тающего источника переменного напряжения различают однофазные и трех фазные схемы выпрямителей. Основные схемы однофазных выпрямителей, получивших наиболее широкое практическое применение, следующие:
1) однополупериодная с одним диодом рис. 2.9 применяются в основном при мощностях в нагрузке до 10 – 25 Вт и тогда, когда не требуется малый коэффициент пульсаций. Достоинства схемы – минимальное число элементов, малая стоимость. Недостатки – низкая частота пульсаций (равна частоте питающей сети), плохое использование трансформатора, подмагничивание его магнитопровода постоянным током;
|
VD |
|
|
|
|
+ |
|
U~ |
+ |
Uвых |
Rн |
|
C |
||
|
− |
|
|
|
|
|
|
Рис.2.9. |
Однополупериодная схема выпрямителя. |
|
|
2)двухполупериодная со средней точкой (рис.2.10) применяется чаще всего при мощностях до 100 Вт. Выпрямители, выполненные по данной схеме, характеризуются повышенной частотой пульсаций, возможностью использования диодов с общим катодом или анодом, что явля-
ется очень удобным при установке обоих диодов на общий радиатор. Выпрямление переменного тока показано ниже. Относительно сред-
ней точки вторичной обмотки трансформатора напряжение сдвинуто на 180° . То есть в любой полупериод изменения напряжения питающей сети напряжения в первой и второй секциях вторичной обмотки трансформатора находятся в противофазе. В положительный полупериод сетевого на-
пряжения Uc диод VD1 открыт (на его аноде положительный потенциал), а диод VD2 закрыт. При смене полярности сетевого напряжения (отрицательная полуволна) открывается диод VD2, а диод VD1 закрывается. Схематично протекание тока вторичной обмотки I2 в схеме представлено следующим образом.
|
|
|
U(1) |
+ |
I2:+ U(1) |
А |
В |
Uc |
+ |
|
− |
VD1 |
|
||
− |
|
|
|
С |
|
||
|
U(2) |
− |
|
|
|||
|
|
|
|
|
|||
|
|
|
|
|
|
||
|
|
|
|
+ |
|
|
|
|
|
|
U(1) |
+ |
|
|
|
|
|
+ |
− |
|
|
|
|
|
|
|
|
А |
В |
||
Uc |
− |
|
|
|
|||
|
U(2) |
+ |
I2:+ U(2) |
||||
|
|
|
VD2 |
|
|||
|
|
|
|
− |
|
С |
|
|
|
|
|
|
|
+ |
A |
|
|
+ |
VD1 |
|
+ |
|
+ |
(1) |
− |
|
|||
|
+ |
|
||||
− |
|
|
||||
|
|
|
Rн |
|||
|
|
|
|
|
||
|
(2) |
|
+ |
C |
− |
|
Uc |
− |
VD2 |
|
Uвых |
||
|
|
|||||
|
|
|
|
|
− |
|
|
|
|
|
|
B |
|
Рис. 2.10 Двухполупериодная схема со средней точкой. |
||||||
В каждый полупериод сетевого напряжения ток |
|
|||||
через нагрузку |
протекает в |
одном направлении и |
U(1) |
|||
только через один диод. |
Потери мощности на вен- |
|||||
Средняя |
||||||
тильном комплекте примерно в два раза меньше по |
||||||
точка |
||||||
сравнению с мостовой выпрямительной схемой, в ко- |
Uс |
|||||
торой ток нагрузки в каждый полупериод |
сетевого |
|
||||
напряжения протекает через два последовательно |
|
|||||
включенных диода. К недостатку схемы можно отне- |
U(2) |
|||||
сти обязательное наличие средней точки у вторичной |
|
|||||
обмотки трансформатора. При необходимости сред- |
Рис.2.11 Получение |
|||||
нюю точку можно получить, если у трансформатора |
||||||
есть две одинаковые вторичные обмотки (рис.2.11); |
средней точки вто- |
|||||
ричной обмотки |
||||||
3) мостовая двухполупериодная схема характеризу- |
||||||
трансформатора |
||||||
ется хорошим использованием мощности транс- |
|
|||||
форматора, применяется при мощностях в нагрузке до 1 кВт и более |
||||||
(рис. 2.12). Достоинства выпрямителей, |
выполненных по этой схеме – |
|||||
повышенная частота пульсаций, меньшее обратное напряжение на вы- |
||||||
прямляющих диодах. Недостатки – повышенное падение напряжения на |
||||||
выпрямительном блоке, невозможность установки однотипных диодов |
||||||
на общем радиаторе без электроизоляционных прокладок. |
||||||
|
VD1 |
VD2 |
|
|
|
Uс |
|
|
|
|
|
U |
|
+ |
+ |
A |
|
|
VD3 |
|
Rн |
||
|
VD4 |
C |
− |
||
|
|
|
|
B |
|
|
|
|
|
|
Рис. 2.12. Мостовая двухполупериодная схема выпрямителя.
В положительный полупериод напряжения вторичной обмотки U (положительный потенциал на верхнем по схеме выводе) диод VD2 открыт (на его аноде положительный потенциал). Ток вторичной обмотки протекает через VD2, конденсатор С и нагрузку, возвращаясь ко вторичной обмотке через диод VD3. В отрицательный полупериод напряжения U (положительный потенциал на нижнем по схеме выводе) ток протекает через VD4,
C и Rн, возвращаясь к вторичной обмотке через диод VD1. Схематично протекание тока вторичной обмотки I2 в схеме можно представить следующим образом:
+ |
I2: + U |
VD2 |
А |
В |
VD3 |
− U |
− |
С |
|
||||
|
|
|
|
|
|
|
+ |
I2: + U |
VD4 |
А |
В |
VD1 |
− U |
− |
С |
|
||||
|
|
|
|
|
|
Последнее наглядно показывает, что в любой полупериод напряжения вторичной обмотки, ток через нагрузку протекает в одном направлении (от точки А к точке В).
4)двухполярная выпрямительная схема позволяет получить два выпрямительных напряжения разной полярности (рис. 2.13).
|
VD1 |
VD2 |
|
|
|
|
|
|
+ |
|
|
|
+ |
|
|
VD3 |
VD4 |
C1 |
|
U |
VD5 |
VD6 |
+ |
Общий |
|
|
C2 |
вывод |
|
|
|
|
− |
|
|
|
|
|
|
|
VD7 |
VD8 |
|
|
|
|
|
|
|
|
Рис.2.13. Двухполярная выпрямительная схема. |
|
||
Особенностью схемы является то, что на ее выходе присутствуют два напряжения разной полярности относительно общего вывода (земли). Данную схему можно рассматривать как два мостовых двухполупериодных выпрямителя, включенных особым образом. Схема используется при построении двухполярных (ращепленных) источников питания, в том числе и стабилизированных.
Симметричная схема с удвоением напряжения (рис.2.14) применяется в основном для питания маломощных устройств, требующих повышенного напряжения питания и потребляющих ток в несколько единиц или десятков миллиампер. К таким устройствам можно отнести рентгеновские трубки, варикапные матрицы, электронные лампы и электронно-лучевые трубки.
|
VD1 |
VD2 |
|
Uс |
U |
+ |
|
+ |
|||
|
+ |
||
|
С1 |
С2 |
|
|
Rн |
||
|
|
||
|
|
− |
Рис.2.14 Симметричная схема с удвоением напряжения (схема Латура).
Принцип работы схемы (как и других аналогичных умножителей напряжения) основан на использовании нескольких конденсаторов, каждый из которых заряжается от одной и той же обмотки трансформатора через соответствующий вентиль (диод). По отношению к нагрузке конденсаторы оказываются включенными последовательно, и их напряжение суммируется.
Рассматриваемая схема (рис.2.14) состоит из 2-х однополупериодных выпрямителей. Протекание тока, вторичной обмотки трансформатора I2 можно представить в виде следующей схемы:
Uc |
+ |
I2: + U |
VD2 |
С2 |
− U |
− |
|||||
Uc |
+ |
I2: + U |
С1 |
|
|
− |
VD1 |
− U |
Таким образом напряжение на нагрузке равно сумме напряжений на конденсаторах С1 и С2, каждый из которых заряжается до напряжения
UC1= UC2 = Um – Uпр ≈ Um , где Um – амплитудное значение напряжения
вторичной обмотки трансформатора, Uпр – прямое напряжение на выпрямляющем диоде. При Rн → ∞ выходное напряжение схемы практически
равно 2Um. Реальное сопротивление нагрузки имеет конечное значение, поэтому заряд одного конденсатора сопровождается одновременным раз-
рядом другого через Rн и выходное напряжение становится меньше 2Um. Для того, чтобы напряжение на выходе было максимально приближено к
2Um необходимо выбирать емкости конденсаторов, удовлетворяющих 2Um, неравенствам: Rн C1 >> T, Rн C2 >> T, где Т-период напряжения сети.
5)несимметричная схема с удвоением напряжения показана на рис.2.15. Как видно из рисунка 2.15, два однополупериодных выпрямителя питаются от разных по величине напряжений. В отрицательный полупериод
изменения напряжения U конденсатор С1 заряжается через открытый диод VD1. При смене полярности напряжения U на противоположную (положительный полупериод) заряжается конденсатор C2 через открытый диод VD2, причем до напряжения примерно равного удвоенному
амплитудному значению напряжения вторичной обмотки 2Um. Как следует из рис.2.15, конденсатор С2 заряжается под действием суммы напряжений вторичной обмотки и конденсатора С1, который в течении предыдущего полупериода был заряжен до напряжения примерно рав-
ного Um. Протекание тока вторичной обмотки трансформатора в выпрямителе можно представить следующей схемой:
U |
|
|
|
+ |
|
I2:+U |
|
VD1 |
|
C1 |
|
− U |
|
− |
|
|
|
||||||||
|
|
|
|
|
|
|
||||||
|
|
|
|
|
|
|
|
|
|
|
|
|
|
|
|
|
|
|
|
|
|
|
|
|
|
U + |
− |
I2: + (U + UС1) |
VD2 |
C2 |
|
|
|
|
где UС1 ≈ Um – напряжение на конденсаторе С1.
+
C1
Uс |
U |
VD1 |
|
|
+
C2
− (U + UС1),
VD2
+
Rн

−
Рис. 2.15. Несимметричная схема удвоения напряжения.